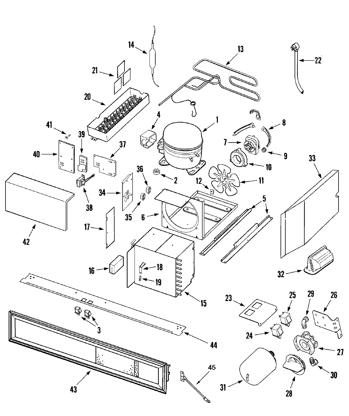
RJRS4872B 02 – COMPRESSORadmin2025-04-26T08:54:11+00:00RJRS4872B 02 – COMPRESSOR ProductsPositionProductNIMAY 67001541NIMAY 67001363NIMAY 67001364NIMAY 67001366NIMAY 670013651MAY 120019661MAY 670013332WP4387558 Whirlpool Refrigerator Compressor Grommet3MAY 670025383MAY 670013684WP61002138 Whirlpool Refrigerator Terminal Cover5WP489478 Whirlpool Refrigerator Screw5MAY 670013346MAY 670013357MAY 610053237WP90767 Whirlpool Screw8MAY 610014149GROMMET, BRACKET10MAY 6700133610MAY 6100532511MAY 60683-112WP486692 Whirlpool Refrigerator Nut13MAY 6700189414WPW10143759 Whirlpool Dryer Filter15MAY 6700133816MAY 6700133917MAY 6700134018MAY 6700134119MAY 6700134219MAY 65275-3320MAY 6700134321MAY 6700253422MAY 6700253523MAY 6700134725MAY 6700319826MAY 6700135026MAY 6700134927MAY 6700135228MAY 6100379130MAY 6700135131MAY UKF7002AXX32MAY 6700135332MAY 6700190433MAY 6700135434MAY 6700135535MAY 6700135636MAY 670013573712002799 Whirlpool Refrigerator Electronic Control Board38MAY 6700135939WP67001360 Whirlpool Power Supply Control Board40MAY 6700336241MAY 6700152842MAY 6700136243MAY 1200259544MAY 6700136744MAY 6100281945MAY 67005166