RM778PXT2 02 – CONTROL PANELadmin2025-04-26T12:07:25+00:00RM778PXT2 02 – CONTROL PANEL
Products
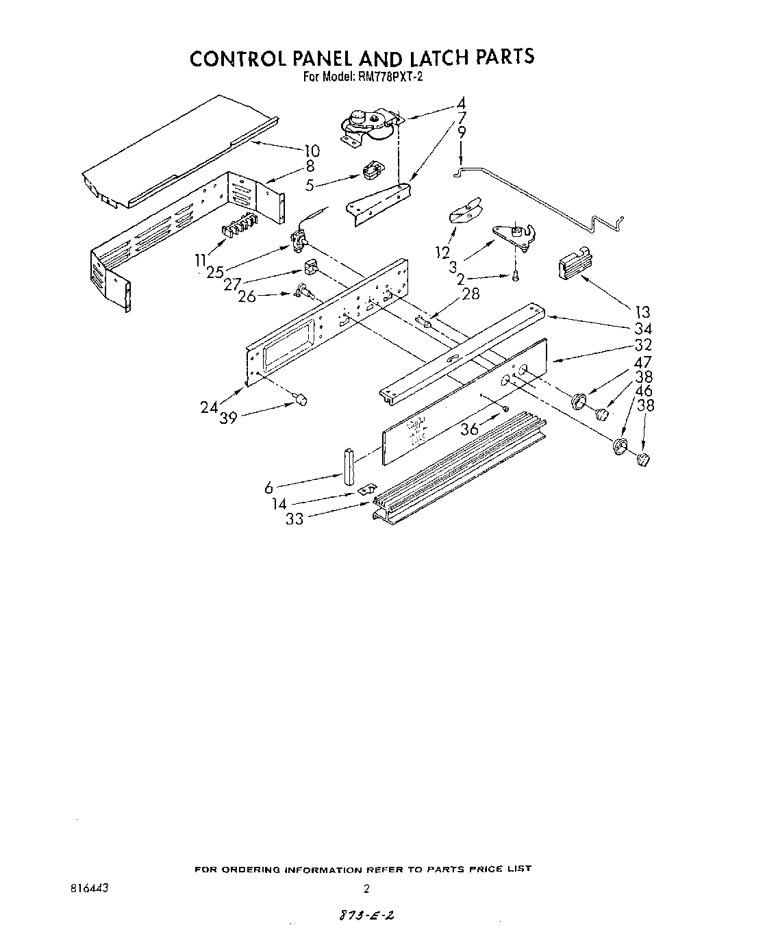
| Position | Product |
|---|
| 2 | Pin, Hinge (2) |
| 3 | Latch, Door |
| 4 | Motor, Latch Assembly |
| 5 | Switch, Latch (2) |
| 6 | Trim, Control Panel |
| 7 | Plate, Motor Mounting |
| 8 | Housing, Control |
| 8 | WP308685 Whirlpool Microwave Screw |
| 9 | Rod, Latch Support |
| 10 | Cover, Housing |
| 11 | Screw, 10-16 x 1 (2) |
| 11 | WP8203546 Whirlpool Terminal Block |
| 12 | Housing, Latch |
| 13 | Cover, Latch |
| 14 | Bracket, Trim Mounting |
| 24 | Bracket, Control |
| 25 | Thermostat, Oven |
| 26 | Switch, Oven Light |
| 27 | Switch, Oven Selector |
| 28 | Indicator Light (Clean) |
| 28 | Indicator Light (2) (Lock, Oven) |
| 32 | Panel, Glass (Control) |
| 33 | Trim, Vent |
| 33 | Screw, 10-24 x 3/8 (2) |
| 34 | Trim, Top |
| 34 | Deflector, Heat (Screw, No.6x18x1/4 (3)) |
| 36 | Bezel, Switch (Black) |
| 38 | WP3150371 Whirlpool Control Knob |
| 39 | Bumper, Cooktop (4) |
| 46 | WP311068 Whirlpool Dial Knob Black |
| 47 | Escutcheon, Thermostat Upper Oven |
| 47 | Screw, 8-32 x 3/16 (2) |