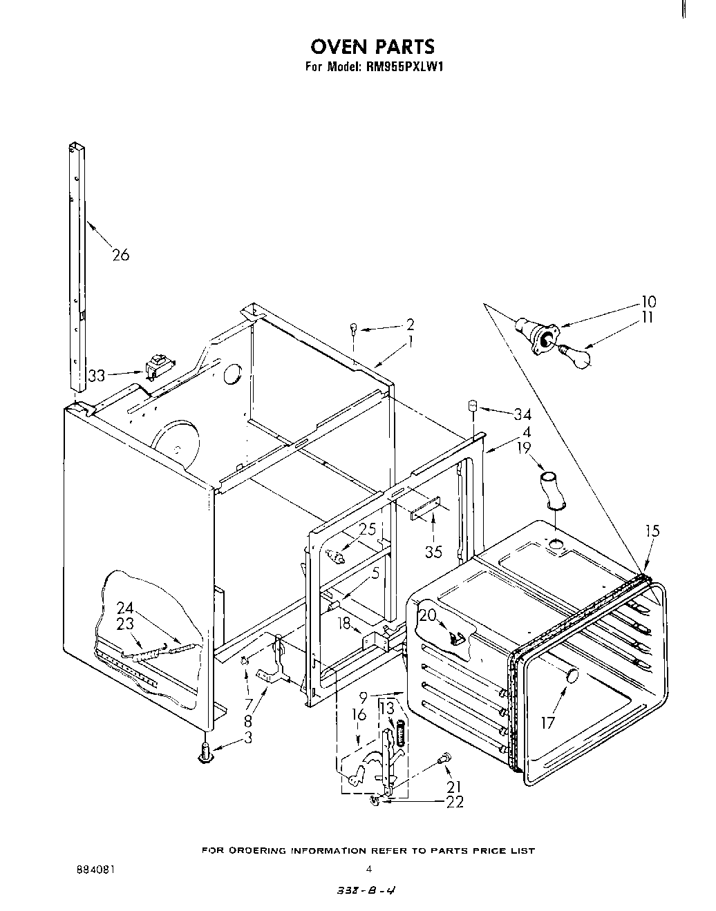
| 1 | Main Chassis (White) |
| 1 | Main Chassis (Almond) |
| 1 | Main Chassis (Harvest Gold) |
| 2 | 238614 Whirlpool Bumper Hinge |
| 3 | WPW10058460 Whirlpool Appliance Levelling Leg |
| 4 | Frame, Front |
| 5 | Pin, Hinge Ear (2) |
| 7 | Pushnut (2) |
| 8 | Hinge (L.H.) |
| 8 | Hinge (R.H.) |
| 8 | SCREW |
| 9 | oven (30`` continous clean) |
| 9 | Screw (3) |
| 10 | Screw (10-12 x .875) |
| 10 | Socket, Oven Light (Alt.) |
| 10 | Socket, Oven Light (Alt.) |
| 11 | RANGE ONLY 40W 120V APPL BULB |
| 13 | Spring, Door Stop |
| 15 | Heat Seal |
| 16 | Channel, Arm (2) |
| 17 | Plug Button |
| 18 | Bracket, Oven (Mounting) |
| 19 | Vent, Oven |
| 19 | Screw, 10A x 1/2 (2) (Black) |
| 20 | 98005642 Whirlpool Clip |
| 21 | WP307986 Whirlpool Hinge Pin |
| 22 | Retainer Ring (2) |
| 23 | Spring, Oven Door (2) |
| 24 | WP308125 Whirlpool Microwave Range/Cooktop Anchor |
| 25 | Switch, Door |
| 26 | Support, Tubing L.H. |
| 26 | Support, Tubing R.H. |
| 33 | Ballast (Alt.) |
| 33 | Ballast (Alt.) |
| 34 | locator, cooktop |
| 34 | Screw, 8-32 x 5/16 (2) |
| 35 | Screw |
| 35 | Plate Cover |