RM955PXPW0 03 – CONTROL PANELadmin2025-04-26T12:07:29+00:00RM955PXPW0 03 – CONTROL PANEL
Products
| Position | Product |
|---|
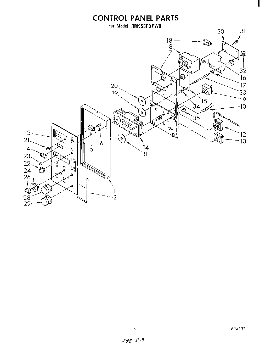
| 1 | Frame, Control Panel |
| 2 | Seal, Foam (2) |
| 3 | Screw, 8-18BT x .88 (2) |
| 3 | Panel, Control |
| 4 | Burner Box Bottom |
| 5 | Button, Start |
| 6 | Spring (2) |
| 7 | Bracket, Control |
| 7 | Screw |
| 7 | SCREW |
| 8 | panel, top (screw, 10a x 3/8 (3)) |
| 8 | Timer, Digital |
| 9 | switch, infinite (4) |
| 10 | Indicator Light (6) |
| 11 | Dial, Surface Units (4) |
| 12 | Thermostat (Lower Oven) |
| 12 | WP313808 Whirlpool Screw |
| 13 | Screw, 8-32 x 3/16 (2) |
| 13 | Switch, Selector |
| 14 | Timer, Digital (Included No.14) |
| 15 | P.C. Board (Temp Control) |
| 15 | Screw (2) |
| 16 | Screw, |
| 16 | Bracket, P.C. Board |
| 17 | Palnut |
| 18 | Switch, Push-To-Start |
| 18 | Screw |
| 19 | Skirt, Dial |
| 20 | WP965173 Whirlpool Dishwasher Screw |
| 20 | WP308605 Whirlpool Refrigerator Clamp |
| 20 | Skirt, Dial |
| 21 | Knob, Digital |
| 22 | Knob, Assembly (2) |
| 23 | Spring (3) |
| 23 | WP3169181 Whirlpool Knob |
| 24 | Bezel, Knob (4) |
| 24 | spring, bezel (4) |
| 26 | Knob, Control (4) |
| 28 | Knob, Thermostat |
| 29 | Knob, Selector |
| 29 | WP688805 Whirlpool Spring Clip |
| 29 | Screw |
| 30 | Board, Power Control |
| 31 | WPL 309080 |
| 32 | Potentiometer |
| 33 | Shaft, Potentiometer |
| 34 | WPL 313087 |
| 35 | Nut, Aluminum (4) |