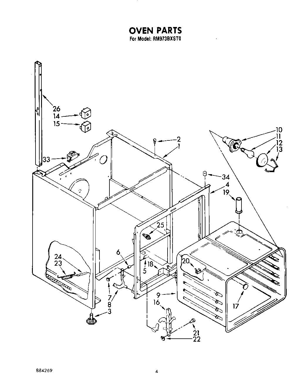
RM973BXST0 03 – OVEN