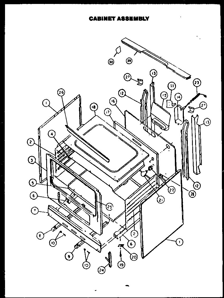
RMT-306 02 – CABINET ASSYadmin2025-04-26T08:51:51+00:00RMT-306 02 – CABINET ASSY ProductsPositionProductNIMAY Y0088643NIMAY 0310802NIMAY 0310189NIMAY Y0310040NIMAY Y0310039NIMAY 03100381MAY 311003B2MAY 311807X3MAY Y03118804MAY 88885CX5MAY Y03110516MAY 03108067MAY 00527448MAY 03105229MAY Y031052310SEE NOTE GROUND WIRE, GREEN11MAY Y008772512MAY 005274213MAY 5644714MAY 008866215MAY 031082116MAY Y031200017MAY 88685CX18MAY 031200719MAY Y008865120MAY Y008857121MAY Y008867322MAY Y031081323MAY 008888424MAY Y031185225MAY Y031177026MAY Y031200527MAY 031021728MAY Y031161929MAY 031021530MAY 31009130MAY 310092