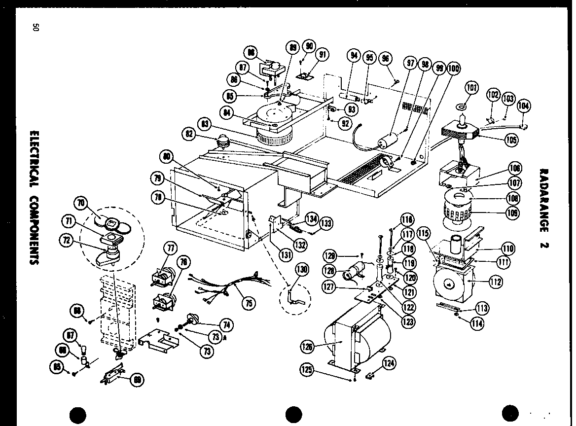
RR-II 01 – ELECTRICAL COMPONENTSadmin2025-04-26T08:51:51+00:00RR-II 01 – ELECTRICAL COMPONENTS ProductsPositionProductNIMAY A309750165MAY M022801566MAY B5603103676S6. Bulb 6W 130V Clear68WPW10068250 Whirlpool Dishwasher Screw69MAY A314150170MAY A312770171MAY A313430172MAY B563110173MAY M028140173MAY M027251174MAY M034010175MAY C362700176MAY B563090177MAY B563160178MAY A310910179MAY C360910180MAY M021101682MAY B560280383MAY B560220184MAY A456870185MAY B059190186MAY YA038150187MAY M021901888MAY M030260289MAY M020264290MAY M021651791MAY B560700193MAY M010240294MAY A307900295MAY A309100297MAY M037020198MAY M0202514100MAY M0370001101MAY B5621901102MAY M0370401102MAY M0370402103MAY M0115802103MAY M0227501104MAY B5602302105MAY M0371101106MAY B5607501107MAY M0287002108MAY M0274028109MAY M0370601110MAY C3596101111MAY B5623301112MAY D3999801113MAY A3113901114MAY M0282007116MAY M0201552117MAY M0270504118MAY M0274024119MAY M0305006121MAY A3096601122MAY M0305005123MAY M0281209124MAY M0288502125WP489464 Whirlpool Refrigerator Screw126MAY M0330101127MAY M0320801128MAY M0300201129MAY M0211517130MAY M0560002130MAY A3125601131MAY M0286103132MAY A3092201132MAY A3092202133MAY M0256821134MAY A3103201