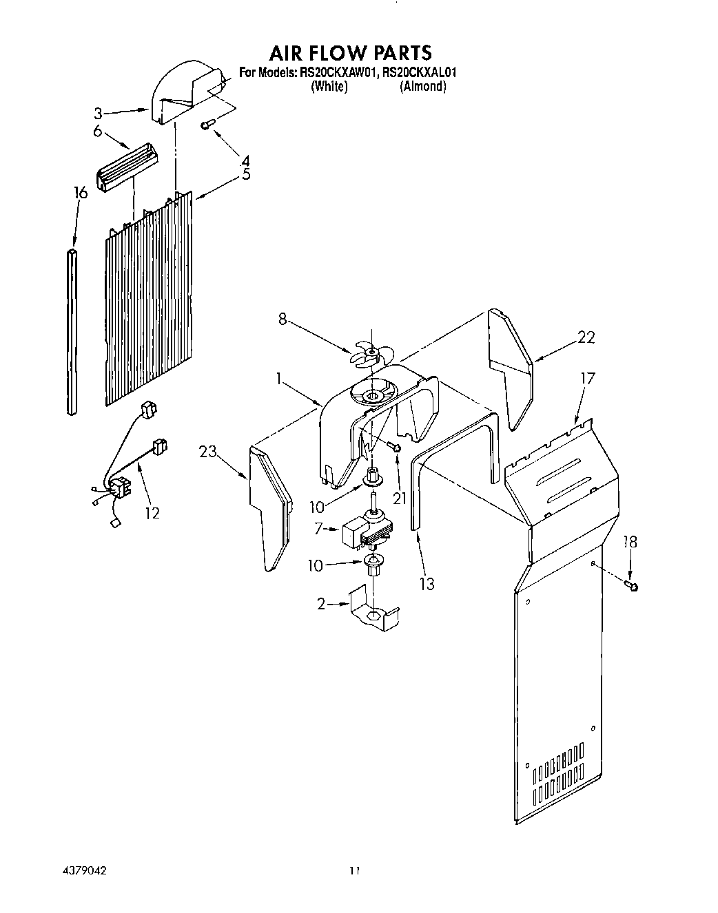
RS20CKXAW01 06 – AIR FLOW