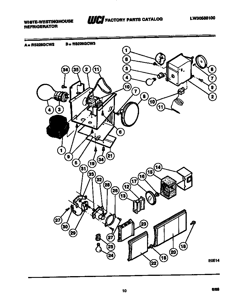
RS228GCD2 06 – REFRIGERATOR CONTROL ASSEMBLY, DAMPadmin2025-04-26T10:27:42+00:00RS228GCD2 06 – REFRIGERATOR CONTROL ASSEMBLY, DAMP ProductsPositionProduct1215846602 Frigidaire Refrigerator 8-Hour Defrost Timer2WCI G1647883SOCKET LIGHT4316538904 Frigidaire Oven Lamp Light5COVER CONT. BRACKET65304455852 Frigidaire Refrigerator Screw7WCI G1070808WCI G164906-0195304455649 Frigidaire Refrigerator Screw10WCI G162205-0511TUBE12WCI G16680213WCI G16680314WCI G16452315WCI G16457516WCI G18537317KNOB, DAMPER CONT.18WCI G169471195308000039 Frigidaire Refrigerator Screw20WCI G169601-1321WCI G16606822LIGHT SHIELD-FREEZER23WCI G164654-0125218906802 Frigidaire Light Lamp Socket26RING, FAN ORIFICE275304455650 Frigidaire Refrigerator Screw285308000010 Frigidaire Refrigerator Evaporator Fan Blade295300158289 Frigidaire Evaporator Fan Motor30WCI G16457131WCI G18530332WCI G18530233G187559 Frigidaire Refrigerator Bushing34WCI G16554535WCI G165543