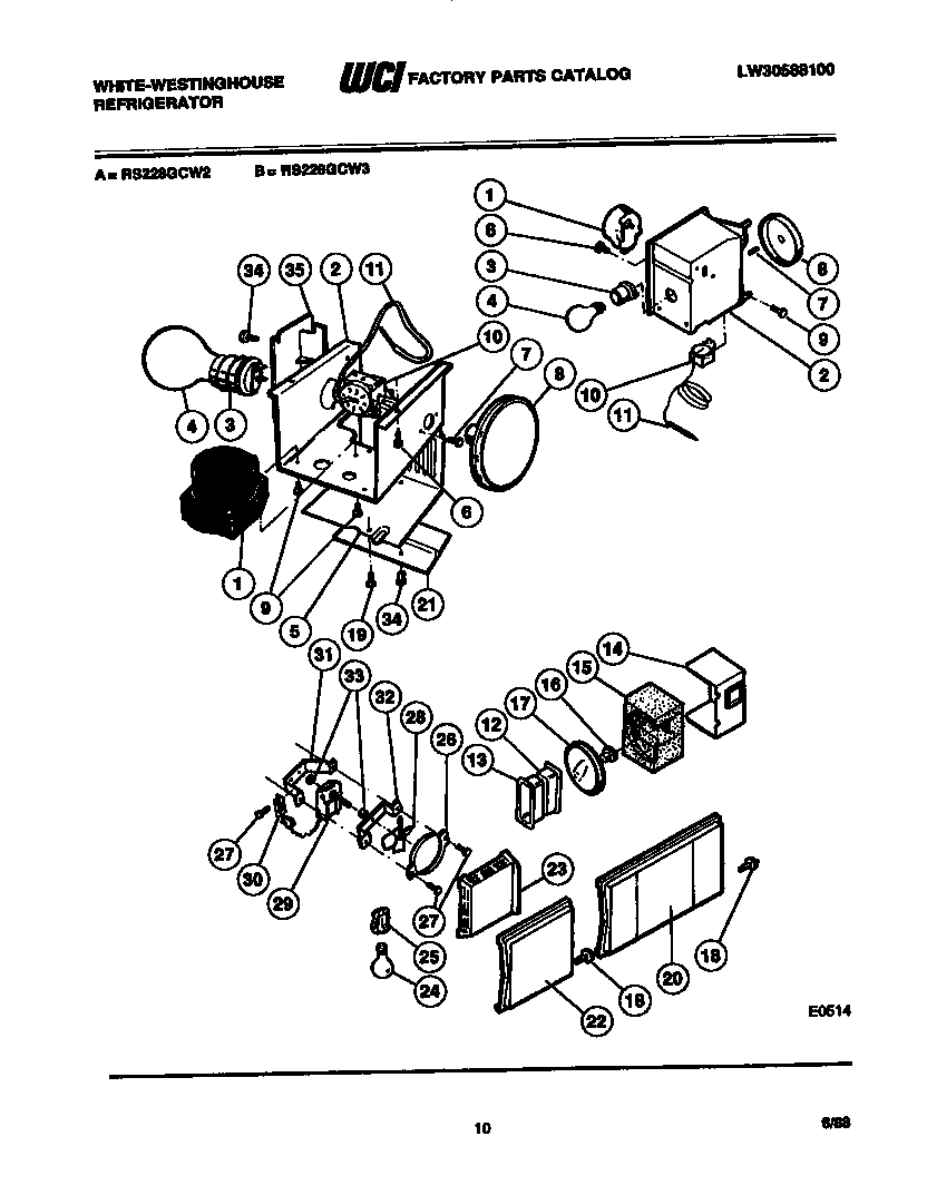
RS228GCW3 06 – REFRIGERATOR CONTROL ASSEMBLY, DAMP