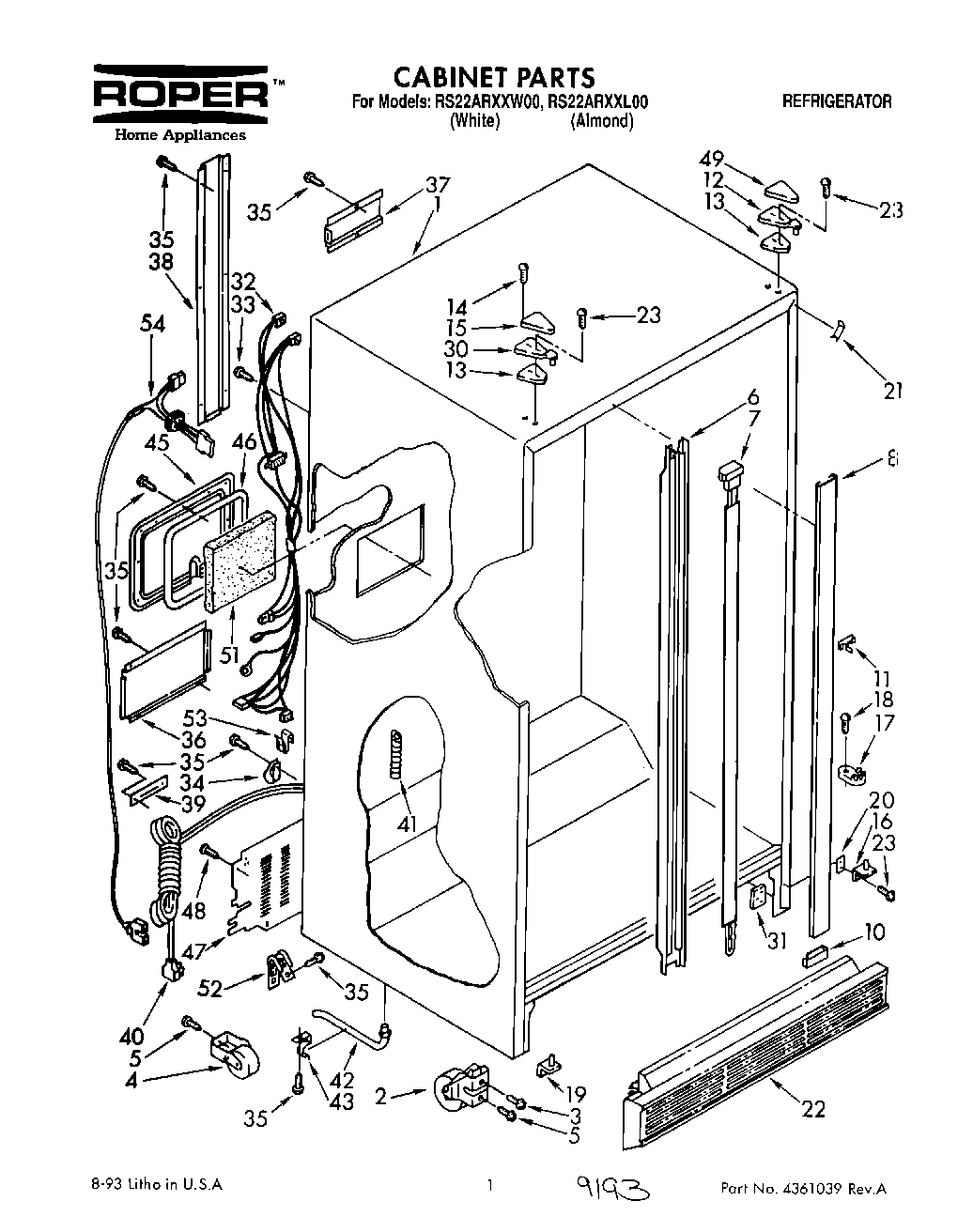
RS22ARXXL00 01 – CABINET