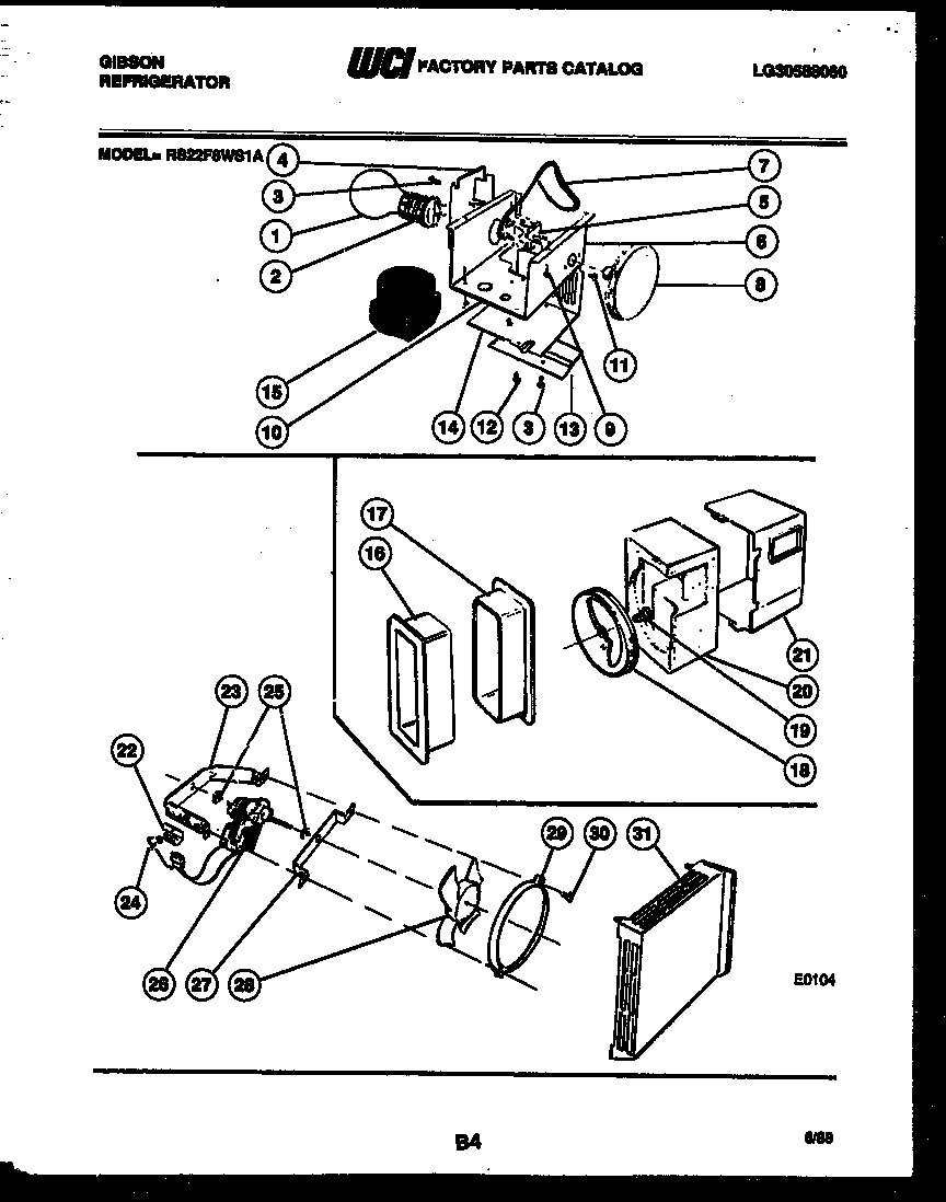
RS22F8WS1A 06 – REFRIGERATOR CONTROL ASSEMBLY, DAMP