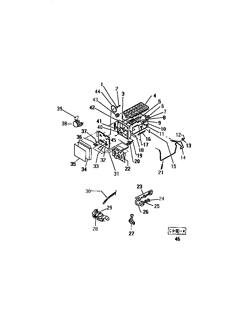
RS249GCH2 10 – ICE MAKER