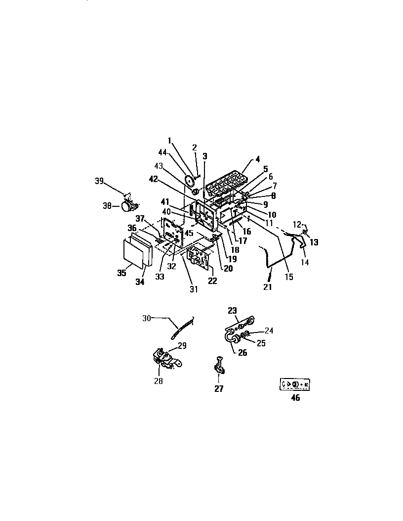
RS249GCV1 10 – ICE MAKER