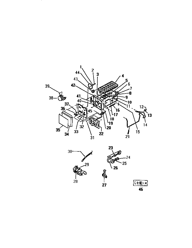
RS249GCV3 10 – ICE MAKER