RS249JCD2 04 – CABINET PARTSadmin2025-04-26T08:43:34+00:00RS249JCD2 04 – CABINET PARTS
Products
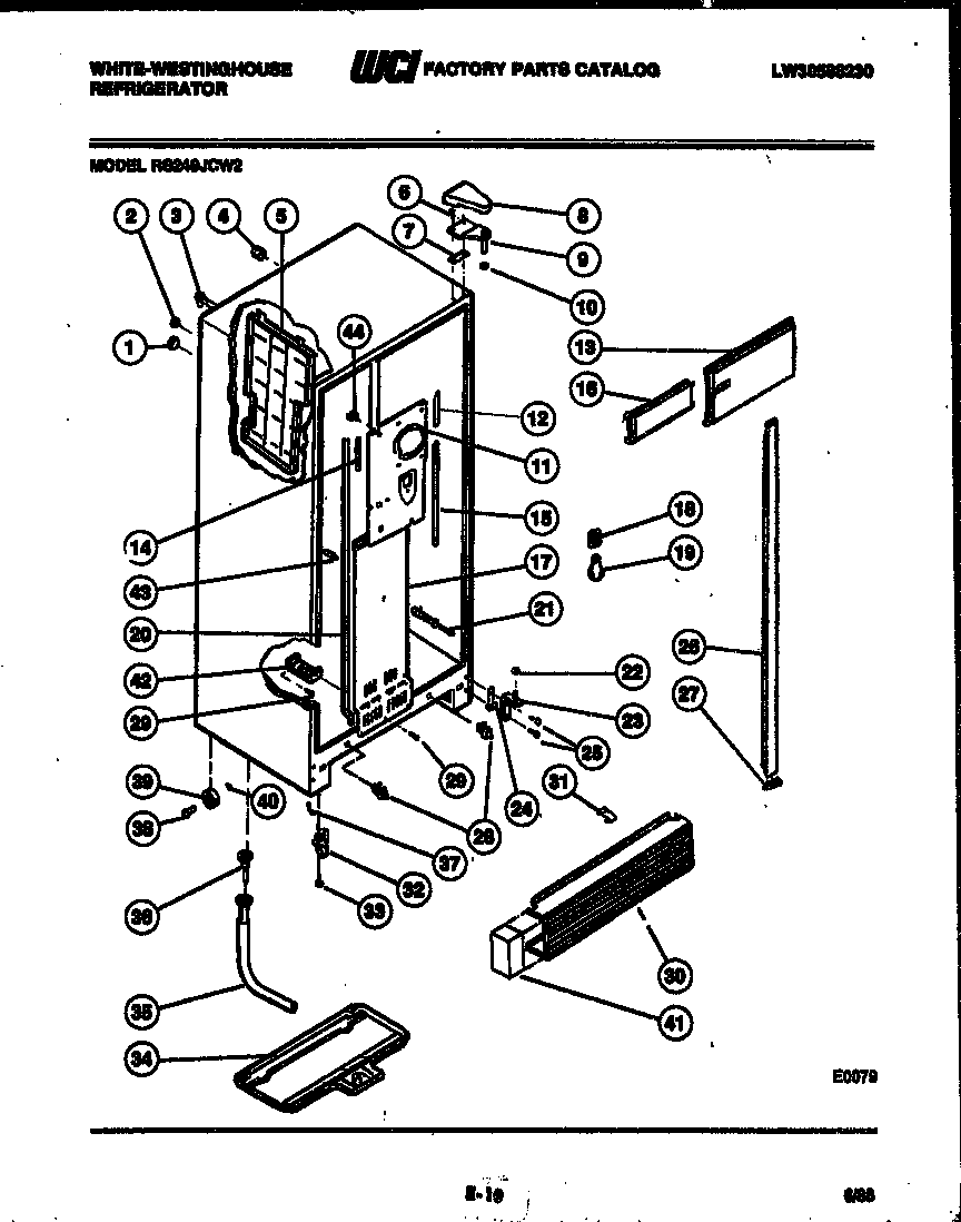
| Position | Product |
|---|
| *10508 | BUTTON, PLUG, LINER (2) |
| 1 | WCI G174733 |
| 2 | WCI G174734 |
| 3 | 215456100 Frigidaire Refrigerator Water Inlet Tube |
| 4 | TUBE, INSULATION (2) |
| 5 | WCI G174559 |
| 6 | 241710601 Frigidaire Refrigerator Screw |
| 7 | WCI G183861 |
| 8 | COVER, TOP HINGE, ALMOND |
| 9 | HINGE-TOP RS |
| 9A | WCI G183716 |
| 10 | WASHER, NYLON |
| 11 | WCI G174738 |
| 12 | WCI G165233 |
| 13 | LINER - OVEN BOTTOM |
| 14 | GASKET-COVER LS |
| 15 | GASKET-COVER RS |
| 16 | WCI G174712-03 |
| 17 | WCI G169477-03 |
| 18 | 218906802 Frigidaire Light Lamp Socket |
| 19 | 316538904 Frigidaire Oven Lamp Light |
| 20 | WCI G188000-03 |
| 21 | WCI G164912-03 |
| 22 | WASHER, NYLON 5/16 X 5/8 (CTR & LOWER HINGE BRACKET) |
| 23A | HINGE-BOTTOM LS (NON-ILLUSTRATED) |
| 23 | BRACKET-LOWER HINGE |
| 23B | WCI G141673 |
| 24 | SHIM, HINGE |
| 24A | WCI G142361 |
| 24B | NUT, SPEED (2) |
| 25 | SCREW - 1/4 X 1 (2) |
| 26 | MULLION-ALMD |
| 26A | WCI G169297 |
| 26A | WCI G169100 |
| 27 | TRIM-MULLN-ALMD |
| 28 | 5303289051 Frigidaire Refrigerator Light Switch |
| 29 | 5304455650 Frigidaire Refrigerator Screw |
| 30 | WCI G174597-01 |
| 31 | CLIP, GRILLE |
| 32 | ROLLER ASSY (2) |
| 33 | SCREW, MTG (2) (NON-ILLUSTRATED) |
| 34 | WCI G171125 |
| 35 | 241957901 Frigidaire Refrigerator Tube-Drain |
| 36 | WCI G171193 |
| 37A | NUT, INLET TO SOLENOID VALVE |
| 37 | WCI G177743 |
| 38 | WCI G162809 |
| 39 | ROLLER (2) |
| 40 | NUT, DAMPER MOUNTING |
| 41 | COVER-BOTTOM HINGE |
| 42B | WCI G184851 |
| 42A | WASHER |
| 42 | WCI G158022 |
| 43 | WCI G169471 |
| 44 | WCI G163669 |