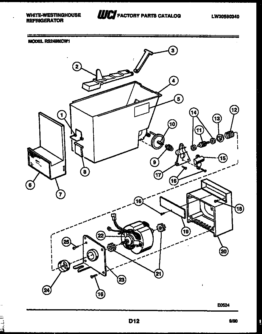
RS249MCF1 08 – ICE DISPENSER