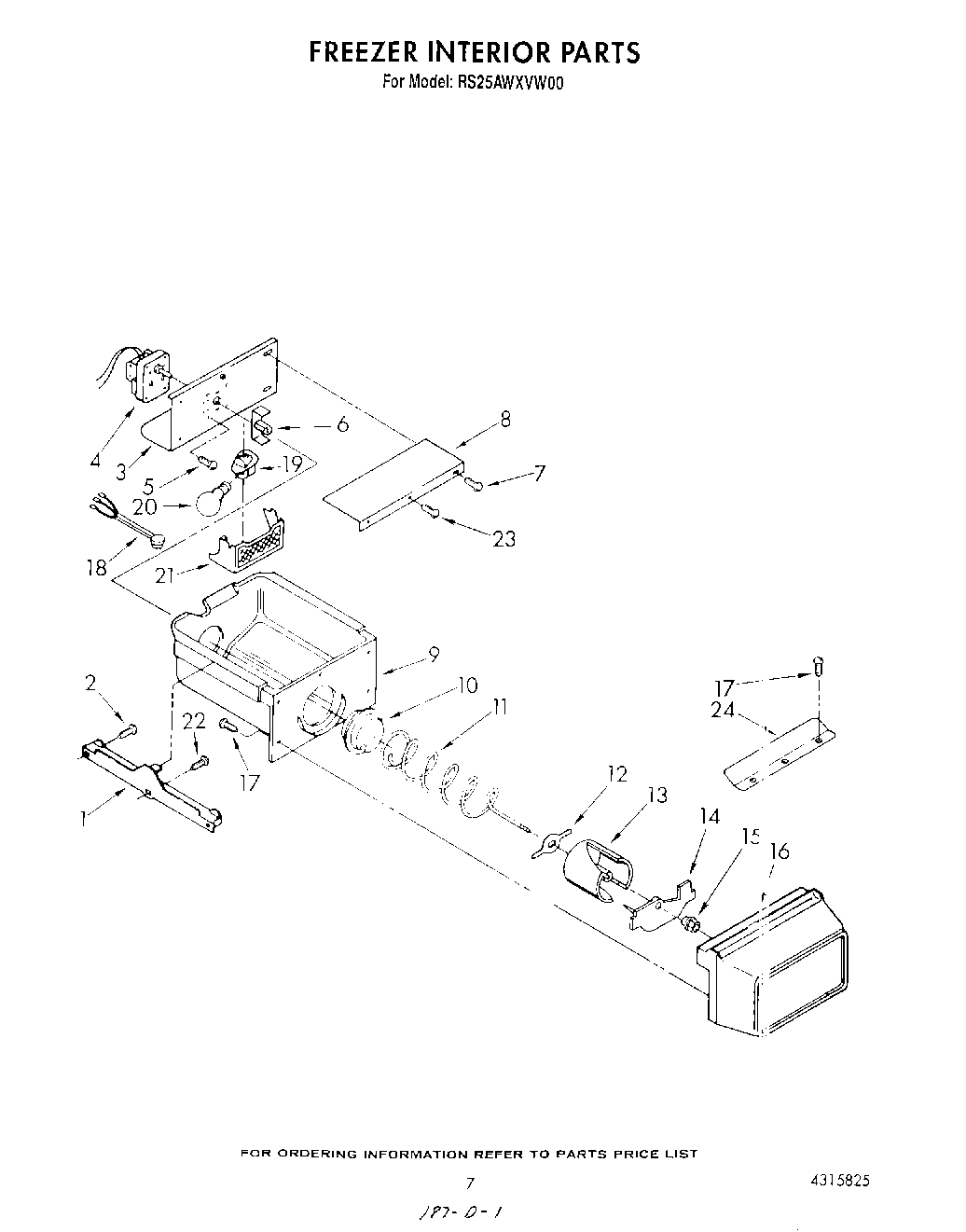
RS25AWXVW00 06 – FREEZER INTERIORadmin2025-04-26T12:49:46+00:00RS25AWXVW00 06 – FREEZER INTERIOR ProductsPositionProduct1W10845585 Whirlpool Refrigerator Track1W10845583 Whirlpool Refrigerator Track2718257 Whirlpool Dishwasher Screw3Bracket, Ice Dispenser4Motor5303776 Whirlpool Dishwasher Screw6COUPLING AUGER MOTOR7W11624204 Whirlpool Screw8Cover, Motor9WPW10670845 Whirlpool Refrigerator Ice Container10W10749708 Whirlpool Refrigerator Coupling11Conveyor124388736 Whirlpool Refrigerator Ice Dispenser Bucket Bin Conveyor Auger Drum14Baffle15Nut, Bearing16Front Cover17WP488787 Whirlpool Refrigerator Screw18Wiring Assembly, Ice Dispenser194387478 Whirlpool Refrigerator Light Socket20RANGE ONLY 40W 120V APPL BULB21Lens, Dispenser Light22W11693756 Whirlpool Screw Assembly23WP489128 Whirlpool Refrigerator Screw24Deflector, Ice Container