RS363PCYW1 02 – CONTROL PANELadmin2025-04-26T12:49:25+00:00RS363PCYW1 02 – CONTROL PANEL
Products
| Position | Product |
|---|
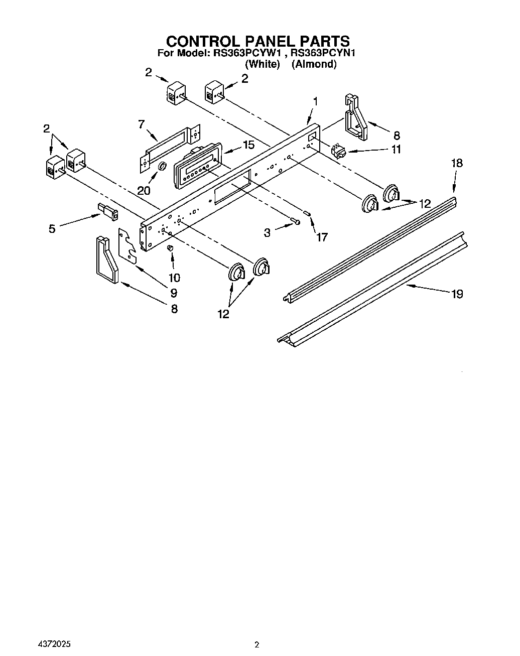
| 1 | Panel, Control |
| 2 | W10900107 Whirlpool Oven Surface Element Switch |
| 3 | Button, Control, (8) |
| 5 | Light, Indicator (Indicator, Surface) |
| 7 | Bracket, Clock |
| 8 | End Cap (R.H.) |
| 8 | End Cap (L.H.) |
| 9 | Plate, End Cap |
| 10 | Lens, Indicator (4) |
| 11 | Switch, Oven Light |
| 12 | Knob, Control (4) |
| 15 | Clock, Timer |
| 17 | Knob, Oven Control |
| 18 | Rail, Top |
| 19 | Rail, Bottom |
| 20 | Spacer, Timer |