RS373PXWT1 02 – VENTILATION, LITERATUREadmin2025-04-26T12:49:44+00:00RS373PXWT1 02 – VENTILATION, LITERATURE
Products
| Position | Product |
|---|
| Repair Parts List |
| Wiring Diagram |
| Installation Instructions |
| Guide, Use & Care |
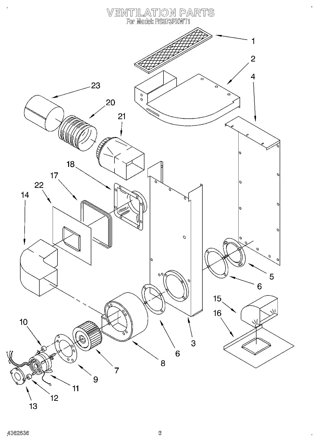
| 1 | Filter |
| 2 | Plenum Top |
| 3 | Plenum Rear |
| 4 | Cover, Plenum Rear |
| 5 | Orifice |
| 6 | Gasket, Motor Mounting |
| 7 | Wheel, Fan |
| 8 | Housing Blower |
| 9 | Plate, Motor Mounting |
| 10 | Grommet, Motor Mounting (8) |
| 11 | Motor, 60 Hz. |
| 12 | Spacer, Motor Cover (4) |
| 13 | Cover, Motor |
| 14 | Duct, Wall |
| 15 | Duct, Floor |
| 16 | Plate, Duct-Floor |
| 17 | Gasket, Transition Wall-Floor |
| 18 | Transitior, Wall |
| 20 | Duct Side |
| 21 | Transition 6`` |
| 22 | Plate, Duct Wall |
| 23 | Washer (3) |
| 23 | Bolt, 10-24 X 3/4 (3) |
| 23 | Tube, Transition |
| 23 | Screw, 8 X 3/8 (14) |
| 23 | WP488826 Whirlpool Nut |