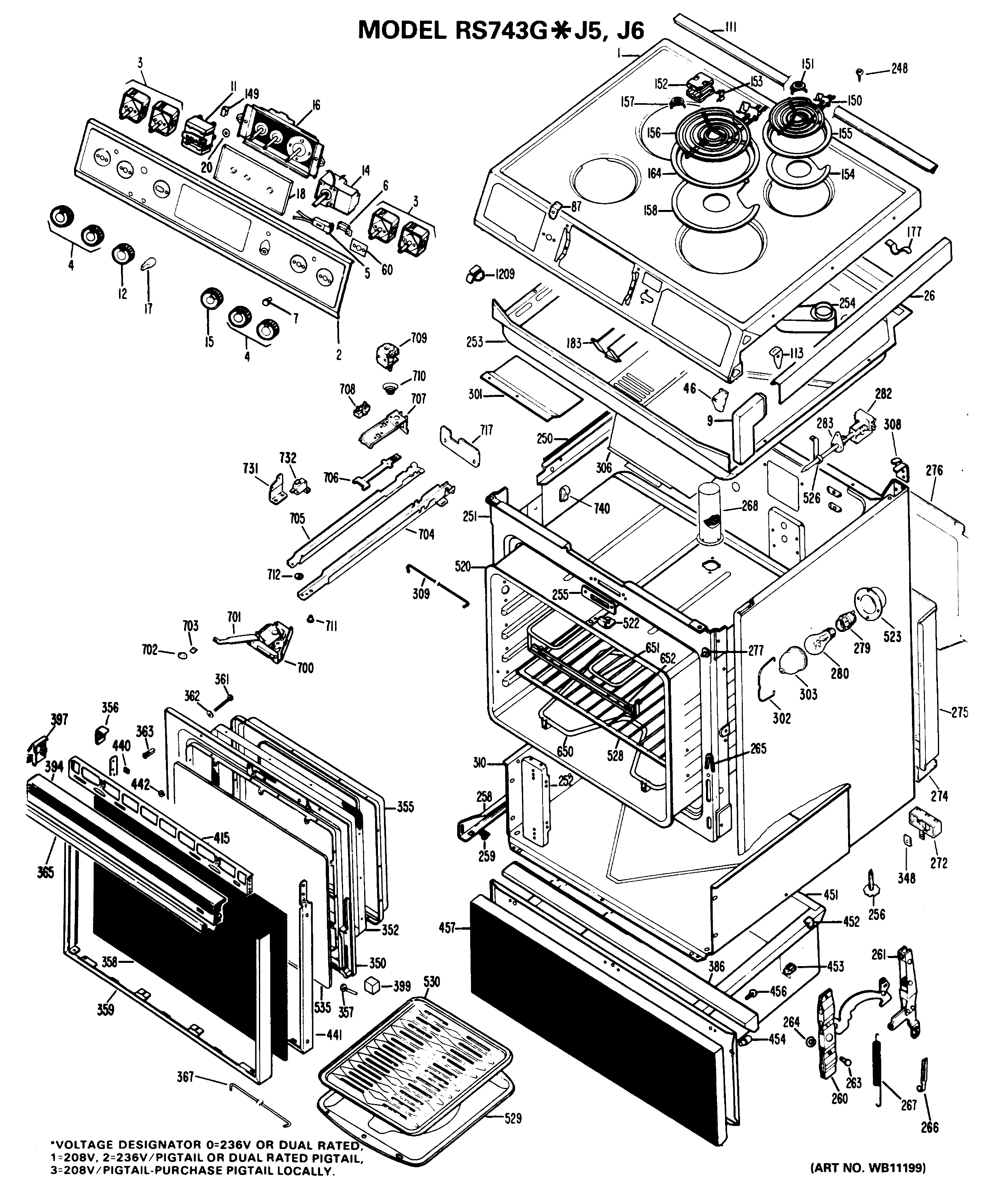
RS743G*J5

RS743G*J5

Products

PositionProduct
1GEN WB62X5352
2GEN WB07X6941
3WB21X36771 GE Surface Element Switch
3GEN WB02X6823
4GEN WB03X0440
5NEON LAMP 118V
5GEN WB02X3468
6CLIP MTG LAMP
7WB25X65 GE Oven Light Indicator
9GEN WB07X6937
9GEN WB07X6938
11GEN WB22X5100
12GEN WB03X0428
14GEN WB24X0184
14GEN WB02X6762
15GEN WB03X0452
16GEN WB19X5249
17WB3X5699 GE Oven Timer Knob Kit
18GEN WB36X5574
20GEN WB01X5727
26GEN WB07X6666
26GEN WB07X6665
46GEN WB02X7745
60GEN WB02X3383
87GEN WB02X6760
111GEN WB07X5664
113GEN WB02X2998
149GEN WB02X7702
150WB30X359 GE Oven Range Stove 6" Surface Element Burner Unit
151GEN WB32X0052
152TERM BLOCK SINGLE COIL
152WB2X1351 GE Oven Terminal Block
153CLIP INSULATOR
154WB32X10012 GE Oven Range Cooktop 6" Chrome Drip Pan
155WB31X5013 GE Oven 6" Chrome Trim Ring
156WB30X348 GE Oven 8" Surface Unit Element with Screw
157GEN WB32X0051
158WB32X10013 GE Oven 8" Chrome Drip Pan
164GEN WB31X5012
177CLIP LEAD
183GEN WB02X6769
248WB1X500D GE Oven Screw Package
250OVEN ASSEMBLY
250GEN WB02X7865
251GEN WB56X6054
252GEN WB02X7864
253GEN WB49X5204
254BODY VENT
255GEN WB07X0552
256GEN WB01X5519
256GEN WB01X5533
256GEN WB02X6772
258GUIDE DRAWER LH
258GUIDE DRAWER RH
259SLIDE GUIDE
260HINGE LEVER ASM RH & LH
261GEN WB10X5091
261GEN WB10X5090
263GEN WB02X6195
264RING RETAINING
265GEN WB02X6342
266HOOK DOOR SPRING
267SPRING DOOR
268GEN WB29X5015
272WB17X5095 GE Black Oven Terminal
274KNOCKOUT PLATE
275GEN WB02X7774
276GEN WB49X5397
277SWITCH, OVEN LIGHT
279WB08T10026 GE Range Push-In Receptacle
280RANGE ONLY 40W 120V APPL BULB
282GEN WB24X5138
283GEN WB02X3164
283GEN WB02X3163
301GEN WB02X6770
302GEN WB02X7694
303WB36X192 GE Oven Light Cover
306GEN WB02X6763
306GEN WB02X6764
308GEN WB02X6184
308GEN WB02X6185
309GEN WB02X6767
310GEN WB49X5156
348PLATE GROUND
350GEN WB55X5327
350INSULATION DOOR
352WB2X6547 GE Oven Door Gasket
355GEN WB55X5332
356GEN WB02X6574
357WB1X558D GE Oven Screw Package
358GEN WB36X5557
359GEN WB07X6892
361GEN WB01X5735
362WB1X119D GE Oven Range Washer
363GEN WB02X7616
365WB15X5189 GE Oven Endcap 2-Pack
367GEN WB02X7747
386HANDLE DRAWER
394GEN WB07X6893
397GEN WZ04X0384
397GEN WB07X7008
397GEN WB07X7007
399GEN WB02