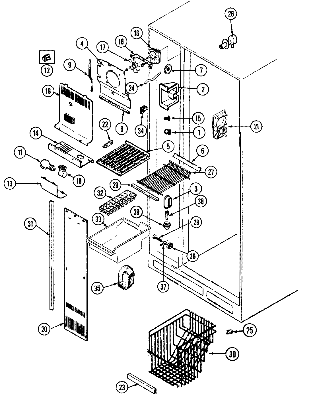
RSD2000DAM 01 – FREEZER COMPARTMENTadmin2025-04-26T08:54:41+00:00RSD2000DAM 01 – FREEZER COMPARTMENT ProductsPositionProduct1MAY 67466-12MAY 67353-13MAY 70034-14MAY 67297-55MAY 67114-66MAY 70136-27MAY 68187-18MAY 68946-49MAY 66325-2110MAY 68974-311MAY 31956-112W11384469 Whirlpool Door Switch13MAY 67292-114MAY 67344-315MAY 67557-216WP61004888 Whirlpool Refrigerator Evaporator Motor16MAY 403067-116MAY 70039-117MAY 52120-417MAY 420092-90018WP488729 Whirlpool Refrigerator Door Screw18MAY 64856-119MAY 67225-119WP489478 Whirlpool Refrigerator Screw20MAY 67335-221MAY 67352-122MAY 400015-3622MAY 67288-123MAY 6100112724MAY 67676-124MAY 67593-325MAY 67488-226MAY 69219-127MAY 67178-927MAY 67178-728MAY 65275-1929MAY 6100113330MAY 69353-131MAY 69314-132WP841180A Whirlpool Microwave Glass Turntable Tray33WP67001255 Whirlpool Ice Bucket34SCREW34MAY 67143-135MAY 67837-136MAY 67123-237MAY 67124-138MAY 26527-1139MAY 52526-1