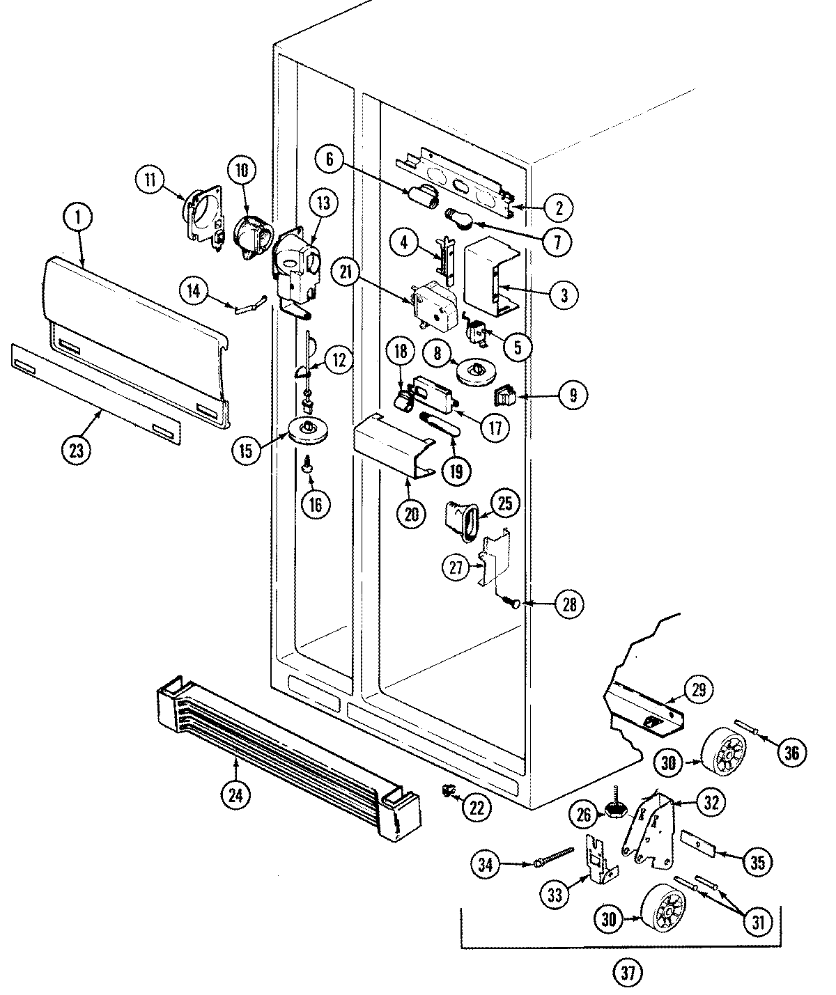
RSD2000DAM 04 – FRESH FOOD COMPARTMENTadmin2025-04-26T08:54:32+00:00RSD2000DAM 04 – FRESH FOOD COMPARTMENT ProductsPositionProduct1MAY 67113-32MAY 67751-13MAY 70178-14MAY 67125-15MAY 69694-35MAY 401024-16MAY 29813-17MAY 31956-18MAY 67145-59W11384469 Whirlpool Door Switch10MAY 58767-111MAY 67351-112MAY 67355-113MAY 67354-113MAY 400053-114MAY 52648-115MAY 67145-616MAY 400001-117WP489478 Whirlpool Refrigerator Screw17MAY 67243-118MAY 68974-319MAY 20174-620MAY 67242-121WP68233-3 Whirlpool Refrigerator Defrost Timer21MAY 405007-122MAY 70285-123MAY 67476-924MAY 70288-425MAY 67684-126MAY 68664-227MAY 69982-128MAY 28013-229MAY 65275-4229MAY 6100103030MAY 69812-131MAY 64965-132MAY 65275-132MAY 67806-233MAY 70230-134MAY 6100112635MAY 59101-136MAY 64965-337MAY 61001108