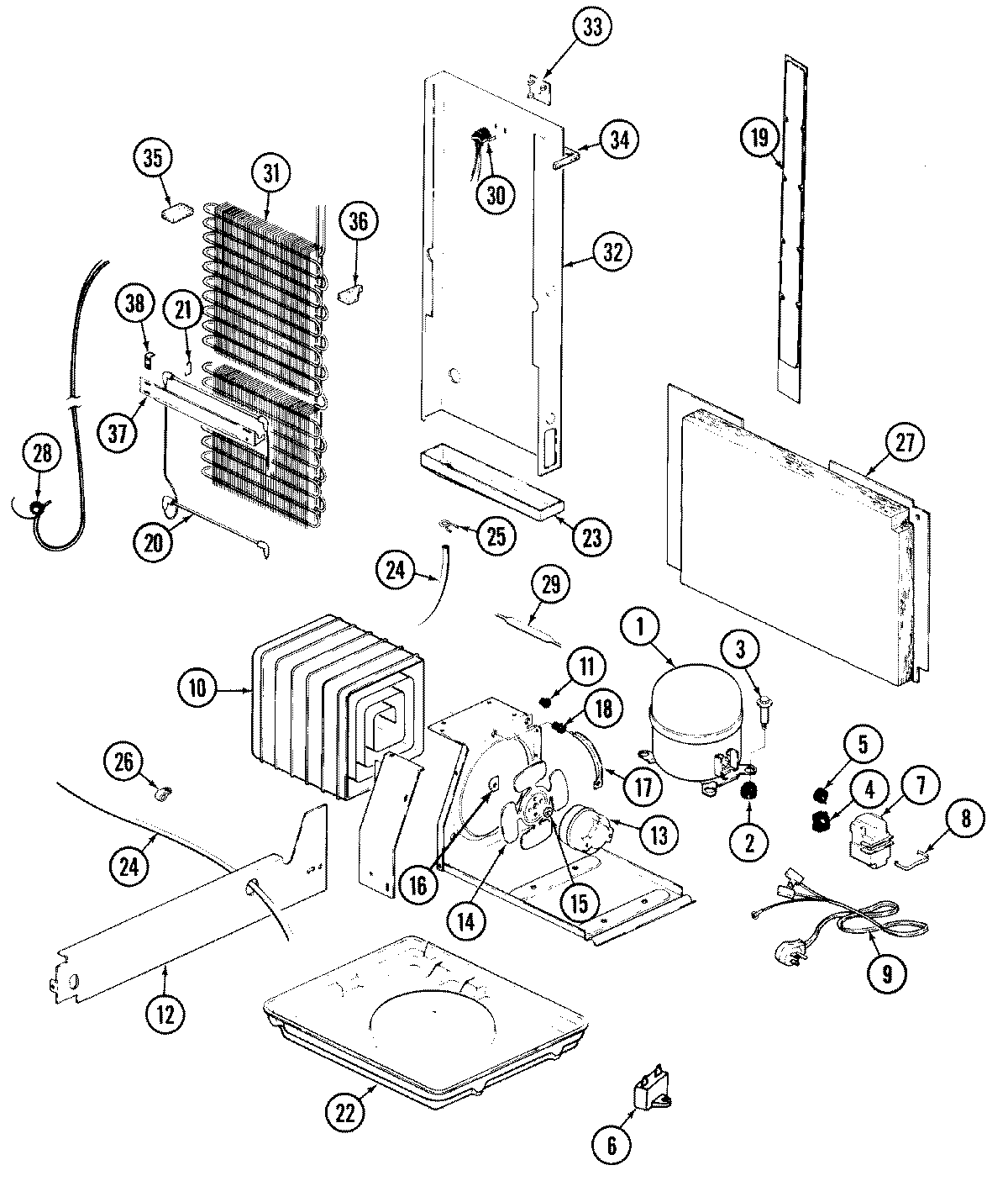
RSD2000DAM 09 – UNIT COMPARTMENT & SYSTEMadmin2025-04-26T08:54:37+00:00RSD2000DAM 09 – UNIT COMPARTMENT & SYSTEM ProductsPositionProductNIMAY 16000327NIMAY 109388-11W10309995 Whirlpool Refrigerator Compressor1MAY 69062-11MAY 610010171MAY 120000582MAY 17245-43MAY 65275-94MAY 66588-54WP10097204 Whirlpool Start Relay5MAY 69105-85MAY 610017856WP65889-4 Whirlpool Refrigerator Capacitor6WPW10662129 Whirlpool Refrigerator Run Capacitor7MAY 66589-28MAY 65886-19MAY 52890-310MAY 64998-110MAY 414001-110MAY 60408-211MAY 53351-112MAY 70362-113MAY 6100101613833697 Whirlpool Condenser Fan Motor13MAY 65275-3314WP12587601 Whirlpool Refrigerator Condenser Blade15MAY 69063-116WP486692 Whirlpool Refrigerator Nut17MAY 69181-118MAY 56933-119MAY 6100112519MAY 67094-120MAY 69848-121MAY 52067-123MAY 53523-124MAY 26911-1825WP596669 Whirlpool Hose Clamp26MAY 53516-527MAY 69139-127WP488729 Whirlpool Refrigerator Door Screw28MAY 65013-2528MAY 26088-2228MAY 66223-129MAY 1390030MAY 52085-2931MAY 52551-2132MAY 68834-133MAY 55878-134MAY 66325-1735MAY 65063-136MAY 65064-137WP489478 Whirlpool Refrigerator Screw37MAY 29915-1238MAY 52561-1