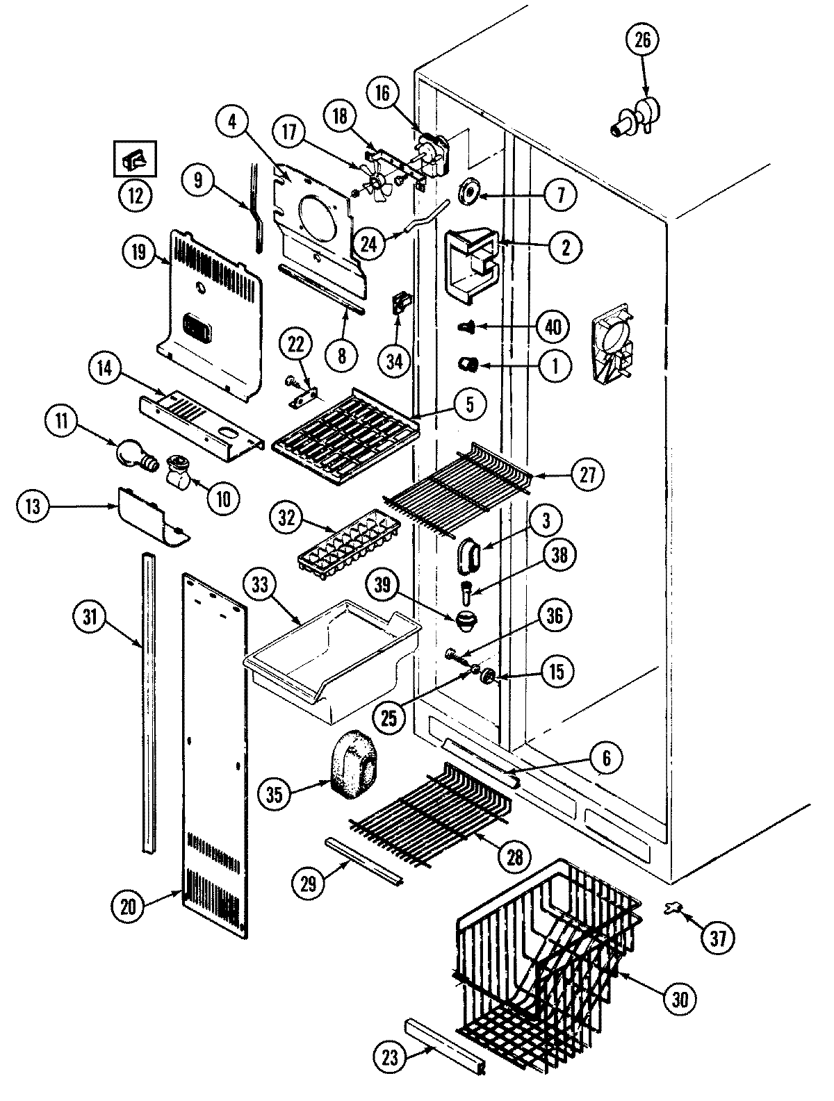
RSD2400DAM 01 – FREEZER COMPARTMENTadmin2025-04-26T08:54:31+00:00RSD2400DAM 01 – FREEZER COMPARTMENT ProductsPositionProductNIWP67006908 Whirlpool Refrigerator ScrewNIMAY 67149-1NIMAY 67148-2NIMAY 67150-1NIMAY 67352-1NIMAY 69519-1NIMAY 400019-11MAY 67466-12MAY 67353-13MAY 70034-14MAY 67297-65MAY 67114-46MAY 70136-17MAY 68187-18MAY 68946-69MAY 66325-2010MAY 68974-311MAY 31956-112W11384469 Whirlpool Door Switch13MAY 67292-114MAY 67345-315MAY 69348-216WP61004888 Whirlpool Refrigerator Evaporator Motor16MAY 70039-116MAY 403067-117MAY 420092-90017MAY 52120-418MAY 64856-118WP488729 Whirlpool Refrigerator Door Screw19MAY 67225-220MAY 67335-120MAY 400015-3622MAY 67288-122WP489478 Whirlpool Refrigerator Screw23MAY 70135-1624MAY 67666-124MAY 67593-325MAY 70135-1326MAY 69219-127MAY 67178-1028MAY 67178-829MAY 70135-1930MAY 69350-231MAY 69314-132WP841180A Whirlpool Microwave Glass Turntable Tray33WP67001255 Whirlpool Ice Bucket34MAY 67143-134SCREW35MAY 67837-136MAY 69349-237MAY 70135-1438MAY 26527-1139MAY 52526-140MAY 67557-2