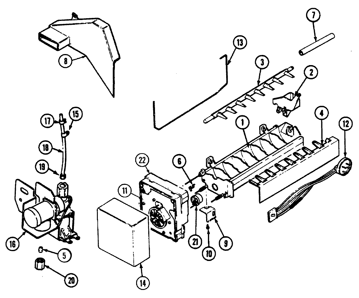
RSDA228AAE 05 – OPTIONAL ICE MAKER KIT (ICE)