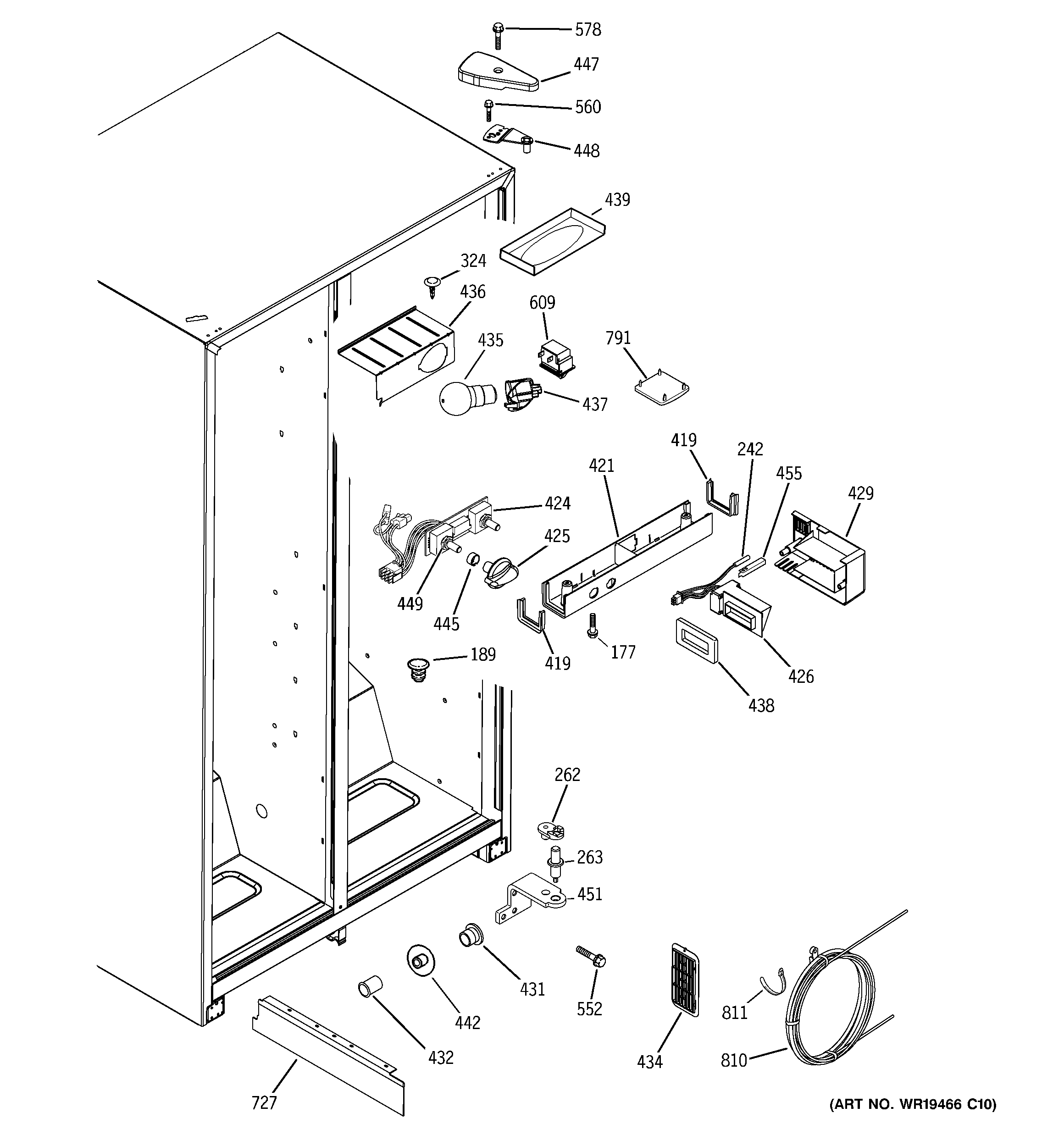
RSG25KEPHFWW FRESH FOOD SECTIONadmin2025-04-26T09:54:40+00:00RSG25KEPHFWW FRESH FOOD SECTION ProductsPositionProduct177SCREW189GEN WR02X10983242WR55X10025 GE Refrigerator Temperature Sensor262WR02X11743 GE Refrigerator Hinge Cam Riser263GEN WR02X10592324GEN WR02X7051419GEN WR14X10044421GEN WR17X11644424GEN WR55X10338425GEN WR02X10570426WR09X10050 DAMPER & GAS429GEN WR02X11795431WR2X9299 GE Refrigerator Air Duct Cap Mullion432WR02X10561 GE Duct Mullion434GEN WR17X10262435WR02X12207 GE Refrigerator Net Bulb Light436GEN WR02X10578437WR2X9014 GE Refrigerator Socket & Terminal C02438WR14X10047 GE Refrigerator Gasket Damper439GEN WR17X10997442GEN WR02X10042445WR02X12149 GE Refrigerator Ring447CVR HNG WHT448GEN WR13X10289449GEN WR01X10191451GEN WR13X10312455GEN WR02X10622552WR01X10600 GE Refrigerator Screw 12-24 Tapping Hex .811 S Z560GEN WR01X10195578WR01X10379 GE Refrigerator Hinge Cover Screw609WR23X37285 GE Light Switch727GEN WR17X11409791GEN WR02X10682810WATER STORAGE COIL