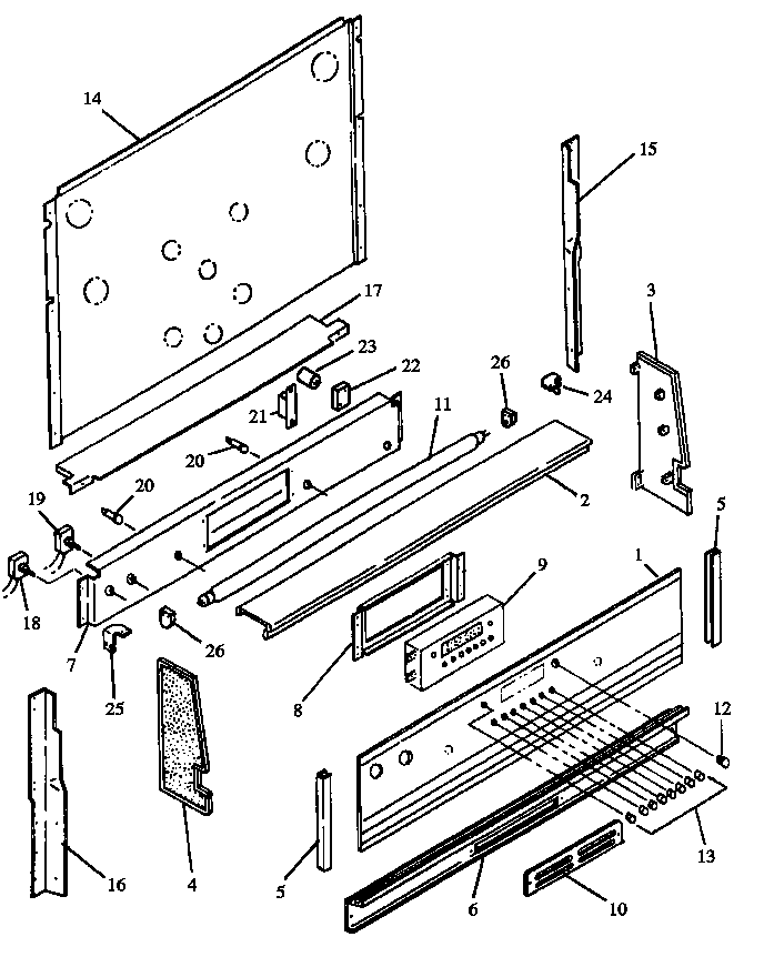
RST378UWG 01 – BACKGUARDadmin2025-04-26T08:49:26+00:00RST378UWG 01 – BACKGUARD ProductsPositionProductNIMAY 0065051NIMAY Y0041794NIMAY Y00650521MAY 03004602MAY Y03004703MAY Y03029833MAY 03006954MAY Y03029824MAY 03006945MAY 00597686MAY 300770W6MAY 300771L7MAY 03026928MAY 03017539MAY Y030076110MAY 300725K11WPY0067945 Whirlpool Light Lamp12MAY Y030070413MAY Y030139314MAY 030225215MAY Y030389916MAY Y030389817MAY 005889419MAY 030077820MAY 006074721MAY Y007186922MAY 007196423MAY 007192024MAY 006124225MAY 006124126MAY Y0071924