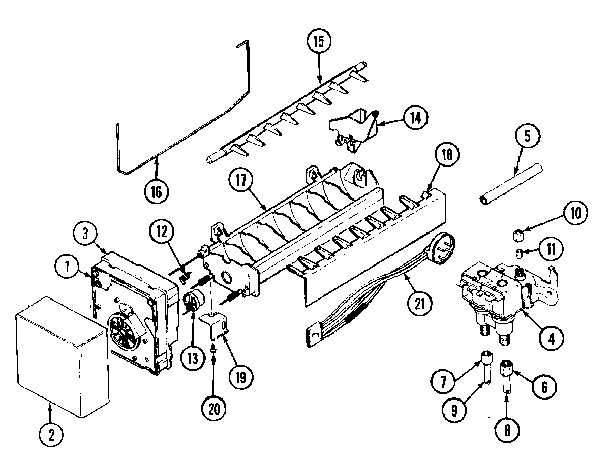
RSW2400CKE 15 – ICE MAKER (REV.11)admin2025-04-26T08:49:15+00:00RSW2400CKE 15 – ICE MAKER (REV.11) ProductsPositionProduct1WP489478 Whirlpool Refrigerator Screw1MAY 400031-11MAY Y061000482MAY 68328-23WP2195914 Whirlpool Refrigerator Ice Maker Housing3SCREW4MAY 401018-14MAY 610010225MAY 610011625MAY 67666-16MAY 69583-27WP627018 Whirlpool Refrigerator Nut8MAY 67187-59MAY 67579-210WP245183 Whirlpool Nut11WP487627 Whirlpool Refrigerator Sleeve12WP2315522 Whirlpool Refrigerator Clip13WP627985 Whirlpool Icemaker Cycling Thermostat13MAY 95093-114WP628356 Whirlpool Refrigerator Fill Cup15WP627843 Whirlpool Refrigerator Ejector Arm16W11342242 Whirlpool Refrigerator Ice Level Arm17D7824706Q Whirlpool Refrigerator Ice Maker Assembly18WP2182124 Whirlpool Refrigerator Stripper Arm19BRACKET, MODULE & HEATER20MAY 95108-121MAY 70076-2