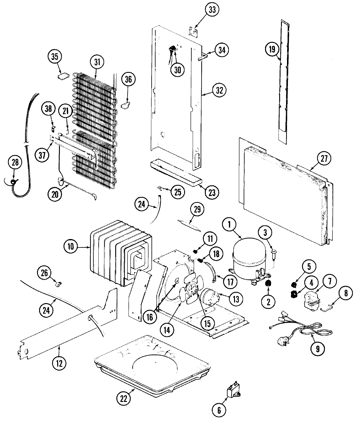
RSWA248AAE 07 – UNIT COMPARTMENT & SYSTEMadmin2025-04-26T08:49:42+00:00RSWA248AAE 07 – UNIT COMPARTMENT & SYSTEM ProductsPositionProductNIMAY 16002079NIMAY 108429-31MAY 68840-21W10309995 Whirlpool Refrigerator Compressor1MAY 610010171MAY RA10182MAY 17245-43MAY 65275-94MAY 66858-14WP10097204 Whirlpool Start Relay5MAY 63294-195MAY 610017856WPW10662129 Whirlpool Refrigerator Run Capacitor6WP65889-4 Whirlpool Refrigerator Capacitor7MAY 66589-28MAY 65886-19MAY 52890-310MAY 60408-210MAY 64998-110MAY 414001-111MAY 53351-112MAY 66494-112WP488729 Whirlpool Refrigerator Door Screw13MAY 65275-3313MAY 6100101813833697 Whirlpool Condenser Fan Motor14WP12587601 Whirlpool Refrigerator Condenser Blade15MAY 69063-116WP486692 Whirlpool Refrigerator Nut17MAY 69181-118MAY 56933-119MAY 70263-119MAY 66381-120MAY 69848-221MAY 52067-123MAY 53523-224MAY 26911-2525WP596669 Whirlpool Hose Clamp26MAY 53516-527MAY 66339-328MAY 26088-2328MAY 6100103928MAY 65013-2429MAY 1390030MAY 52085-2931MAY 52551-2232MAY 68834-233MAY 55878-134MAY 66325-1835MAY 65063-136MAY 65064-137MAY 29915-1337WP489478 Whirlpool Refrigerator Screw38MAY 52561-1