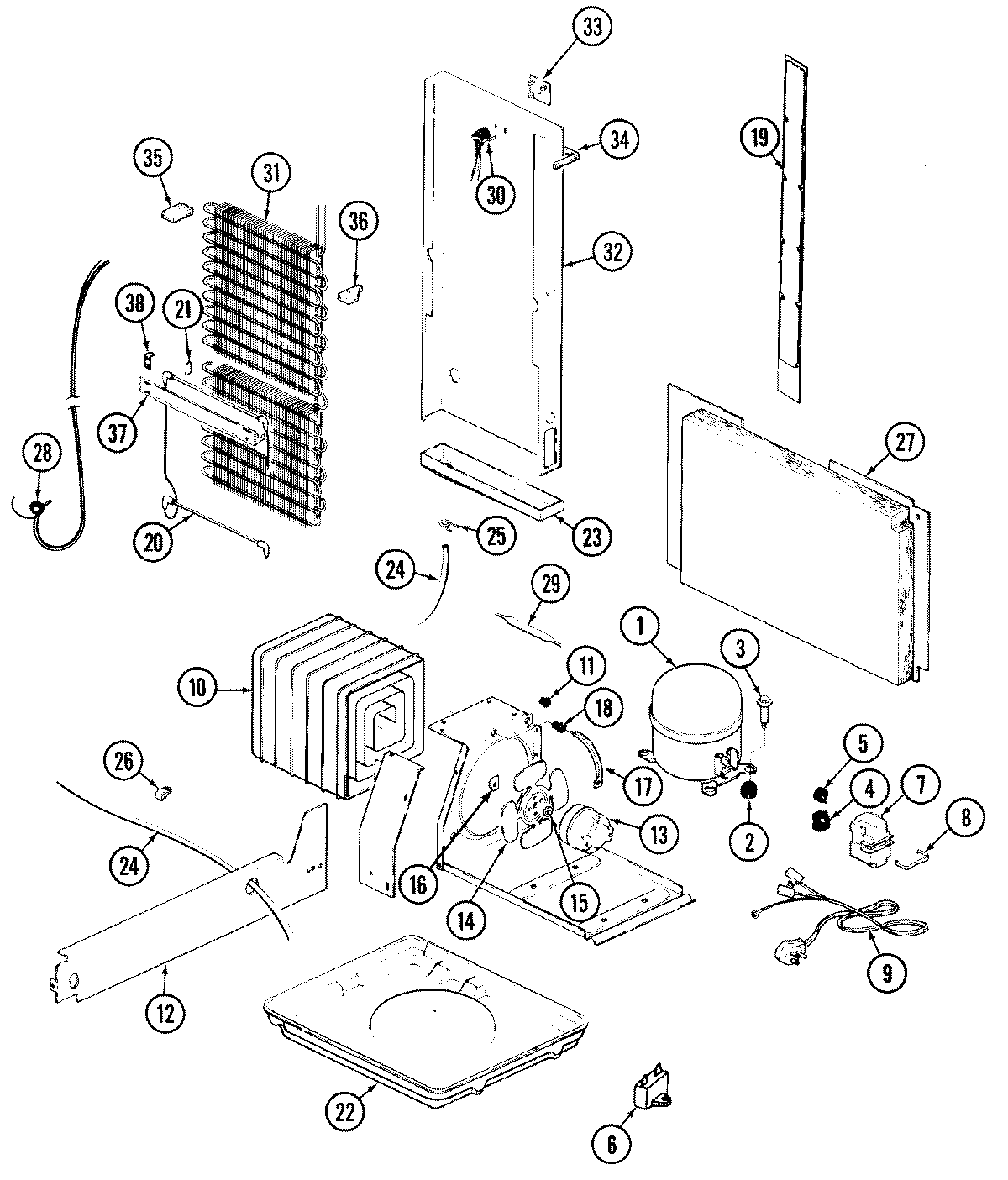
RSWA278AAM 11 – UNIT COMPARTMENT & SYSTEMadmin2025-04-26T08:49:15+00:00RSWA278AAM 11 – UNIT COMPARTMENT & SYSTEM ProductsPositionProductNIMAY 108429-3NIMAY 160020791MAY 120000581MAY 69062-11MAY 610010171W10309995 Whirlpool Refrigerator Compressor2MAY 17245-43MAY 65275-94WP10097204 Whirlpool Start Relay4MAY 66588-55MAY 69105-85MAY 610017856WPW10662129 Whirlpool Refrigerator Run Capacitor6WP65889-4 Whirlpool Refrigerator Capacitor7MAY 66589-28MAY 65886-19MAY 52890-310MAY 414001-110MAY 60408-210MAY 64998-111MAY 53351-112MAY 70362-113MAY 6100101813833697 Whirlpool Condenser Fan Motor13MAY 65275-3314WP12587601 Whirlpool Refrigerator Condenser Blade15MAY 69063-116WP486692 Whirlpool Refrigerator Nut17MAY 69181-118MAY 56933-119MAY 70263-119MAY 66381-120MAY 69848-221MAY 52067-123MAY 53523-224MAY 26911-2525WP596669 Whirlpool Hose Clamp26MAY 53516-527WP488729 Whirlpool Refrigerator Door Screw27MAY 66339-328MAY 66223-128MAY 65013-2428MAY 6100103928MAY 26088-2329MAY 1390030MAY 52085-2931MAY 52551-2232MAY 68834-233MAY 55878-134MAY 66325-1835MAY 65063-136MAY 65064-137MAY 29915-1337WP489478 Whirlpool Refrigerator Screw38MAY 52561-1