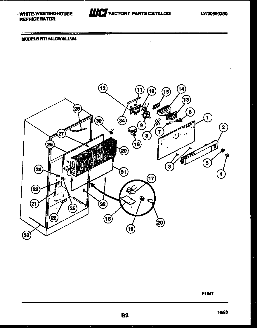
RT114LCH4 04 – INNER PARTSadmin2025-04-26T08:43:34+00:00RT114LCH4 04 – INNER PARTS ProductsPositionProduct1WCI 53032113211AWCI 53032030442WCI 32051113WCI 080111224WCI 53032113275WCI 32049436AWCI 080111216WCI 53032111567WCI 080111348WCI 53080111569WCI 530801116510AWCI G18515610WCI 530321132011WCI 0801112912WCI 530321131813WCI 0801120314WCI 0801122015WCI 0801115316WCI 0801120517215846604 Frigidaire Refrigerator Defrost Timer17AWCI 0801111918AWCI G18508518WCI 0801117819SOCKET-LIGHT/LAMP, OVEN20316538904 Frigidaire Oven Lamp Light21WCI 0801114922WCI 0801115723WCI 530321131724WCI 300170625WCI 0801117026WCI 0801121627WCI 0801113627AWCI 320498928WCI 320468429WCI 3203857305303917954 Frigidaire Refrigerator Defrost Limit Thermostat Kit31WCI 530801120932CLIP, PLATE CONNECTOR (NOT ILLUSTRATED)33WCI 0801162434WCI 5303211319