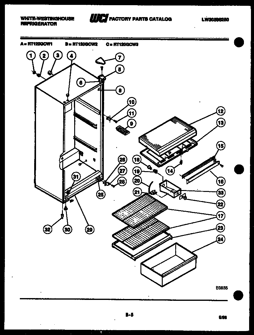
RT120GCD2 03 – CABINET PARTS