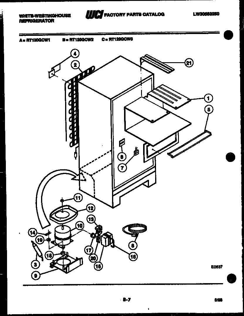
RT120GCD3 04 – SYSTEM AND AUTOMATIC DEFROST PARTSadmin2025-04-26T08:43:33+00:00RT120GCD3 04 – SYSTEM AND AUTOMATIC DEFROST PARTS ProductsPositionProduct1WCI G1867272WCI G16485735303305677 Frigidaire Replacement Filter Dryer Filters3AWCI R9001254BRACKET-CONDENSER MOUNTING (4)5WCI G162980-016WCI G1784977WCI G1864678CORD, SERVICE9WCI G16282210COMPRESSOR W/RELAY-OVLD, (SEE NOTES 1 AND 2)11NUT, LOCK13WCI G150618-1114CLIP, COMPRESSOR MOUNTING (4)165303006412 Frigidaire Refrigerator Cover Mounting Strap17WCI G16609418218513300 Frigidaire Refrigerator Compressor Mount Grommet19WCI G16812020CLIP, OVERLOAD20AHOT TUBE REPAIR KIT (NON-ILLUSTRATED)21WCI G189211