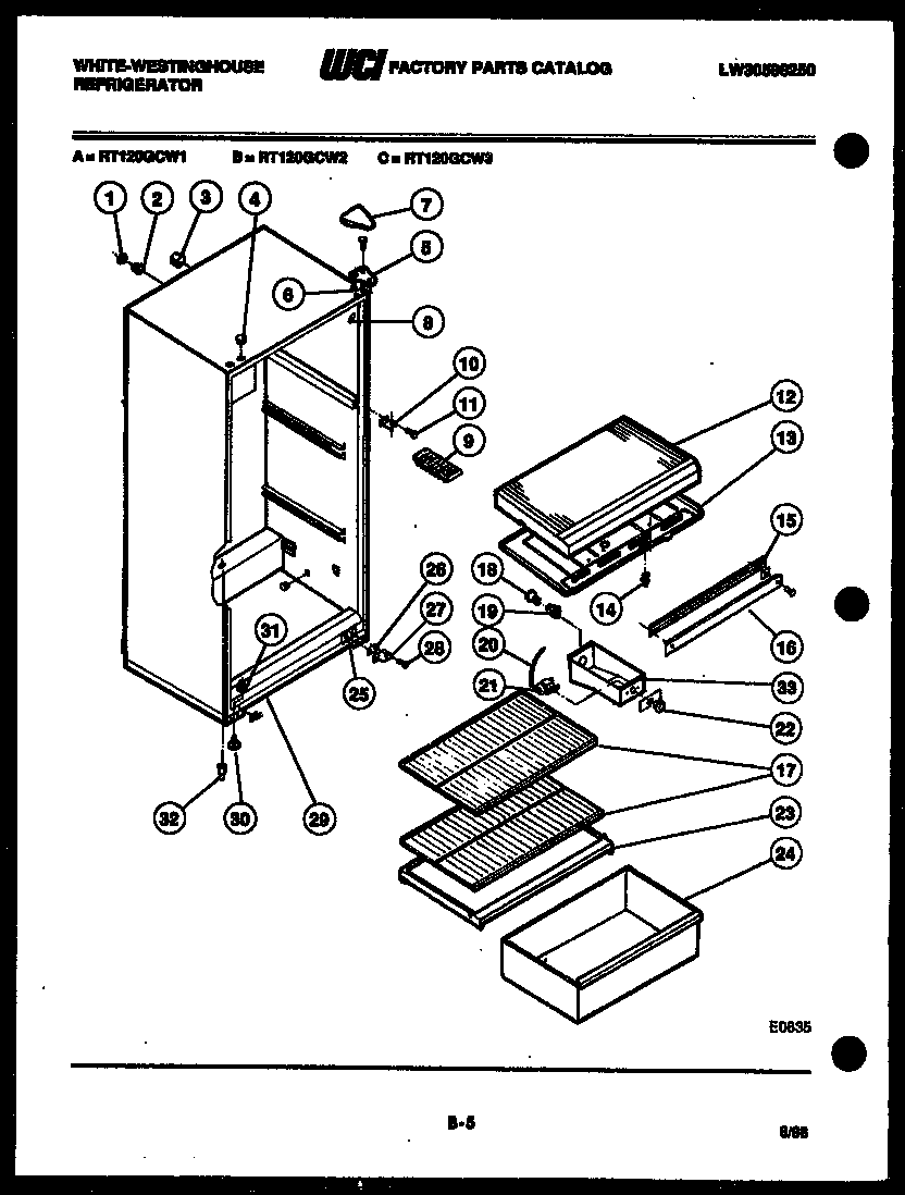
RT120GCH3 03 – CABINET PARTS