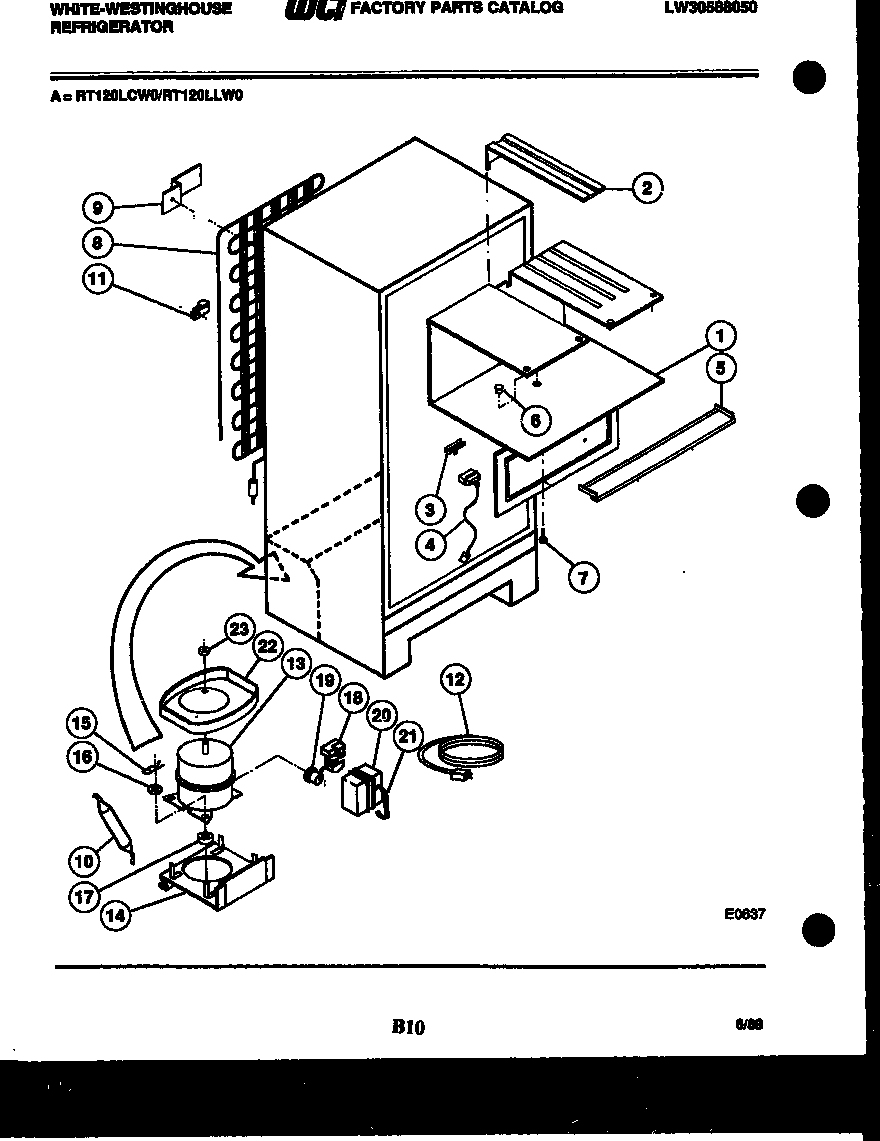
RT120LCH0 04 – SYSTEM AND AUTOMATIC DEFROST PARTSadmin2025-04-26T08:43:44+00:00RT120LCH0 04 – SYSTEM AND AUTOMATIC DEFROST PARTS ProductsPositionProduct*14512WCI G167234*14513HOT TUBE REPAIR KIT (NON-ILLUSTRATED)*14513WIRING HARNESS-MAIN1WCI G1867272WCI 1892113WCI G1784974WCI G1864675WCI G162980-016WCI G1648547SCREW (5)8WCI G1648579BRACKET-CONDENSER MOUNTING (4)105303305677 Frigidaire Replacement Filter Dryer Filters115303001199 Frigidaire Refrigerator Wiring Harness Clamp12CORD, SERVICE13WCI G18604314WCI G16282215CLIP, COMPRESSOR MOUNTING (4)16WASHER, COMPRESSOR MOUNTING (4)17218513300 Frigidaire Refrigerator Compressor Mount Grommet18WCI G182225-1319WCI G18717220WCI G18579221STRAP-COVER22DEFROST PAN23NUT, LOCK