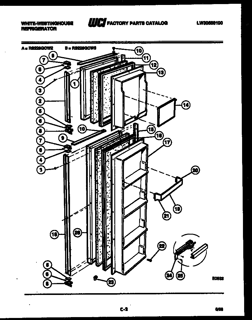
RT140LLW0 02 – DOOR PARTSadmin2025-04-26T08:44:04+00:00RT140LLW0 02 – DOOR PARTS ProductsPositionProduct*96795240494001 Frigidaire Refrigerator Plug Button*96806WCI G168981-01*96799WCI G169332-011WCI G1918852WCI G1758103AWCI G1855663WCI G175666-094END-HANDLE TOP5FRAME-NAMEPLATE6WCI G177218-027WCI G1918827ABEARING, HINGE (3)8WCI G180230-019RACK-FREEZER DOOR10GASKET-REFRIGERATOR11WCI G161776-3312RACK-REFR DOOR (2)13A218843801 Frigidaire Refrigerator Screw13PANEL-INNER14GASKET-FREEZER155308000716 Frigidaire Refrigerator Dish16WCI G187329-01