RT141GCFA 03 – CABINET PARTSadmin2025-04-26T08:44:12+00:00RT141GCFA 03 – CABINET PARTS
Products
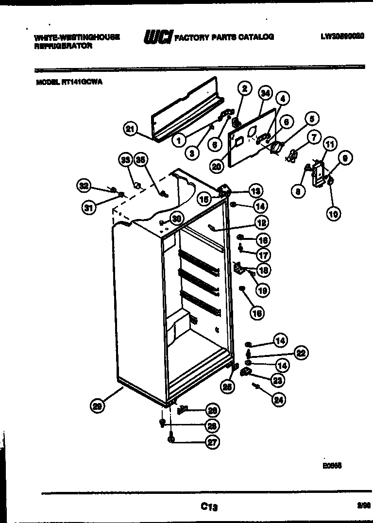
| Position | Product |
|---|
| *25211 | PLUG, BUTTON, CABINET LINER (NI) |
| 1 | WCI 5303001227 |
| 2 | 5300158289 Frigidaire Evaporator Fan Motor |
| 3 | WCI 5308000107 |
| 4 | WCI 5303001226 |
| 5 | RING-FAN ORIFICE |
| 5A | 218843801 Frigidaire Refrigerator Screw |
| 6 | G187559 Frigidaire Refrigerator Bushing |
| 7 | 5308000010 Frigidaire Refrigerator Evaporator Fan Blade |
| 8 | DAMPER-FAN COVER |
| 9 | Nut,push-on |
| 10 | KNOB-DAMPER CONTROL |
| 11A | LABEL-FAN COVER (NON-ILLUSTRATED) |
| 11 | COVER-FAN |
| 12 | CORNER TRIM, COFFEE (4) |
| 13 | BRACKET-UPPER HINGE |
| 14 | WASHER, .34 X .62 X .05, NYLON |
| 15 | SHIM - UPPER HINGE |
| 16 | WASHER, NYLON 5/16 X 5/8 (CTR & LOWER HINGE BRACKET) |
| 17 | WCI 5308000184 |
| 18 | BRACKET-CTR HINGE |
| 19 | WCI 5308012258 |
| 20 | BUTTON - DECORATIVE PLUG |
| 21 | TROUGH-DRAIN |
| 22 | 5303001321 Frigidaire Refrigerator Lower Hinge Pin |
| 23 | HINGE - LOWER DOOR |
| 24A | TAPPING PLATE, UPPER HINGE (2) (NOT ILLUSTRATED) |
| 24 | 241710601 Frigidaire Refrigerator Screw |
| 25 | SHIM-LOWER HINGE |
| 26 | COVER-HOLE, LOWER HINGE |
| 27A | WCI 5308003584 |
| 27 | SCREW-LEVELING (4) |
| 28 | TUBE - DRAIN |
| 29 | WCI 5303006086 |
| 30 | PLUG, COFFEE |
| 31 | WCI 5303001286 |
| 32 | WCI 5303001287 |
| 33 | TUBE-RUBBER |
| 34A | 5304455650 Frigidaire Refrigerator Screw |
| 34B | NUT-SPEED (2) |
| 34 | WCI 3001358 |
| 34C | WCI 5303203044 |
| 35 | SUPPORT-COIL COVER |