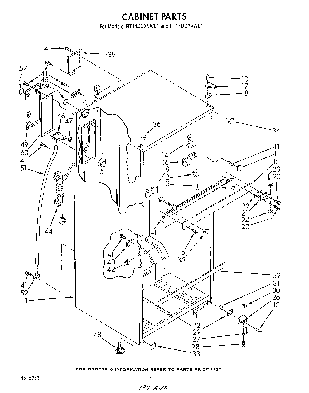
| 1 | Cabinet (Not A Serviceable Part) |
| 2 | Spacer (2) |
| 3 | WP489174 Whirlpool Refrigerator Screw |
| 4 | Hole Plug (2) (Almond) |
| 4 | Hole Plug (2) (White) |
| 4 | Hole Plug (2) (Golden Harvest) |
| 7 | Heater, Mullion |
| 8 | Center Rail, Bracket (2) |
| 10 | Screw |
| 11 | WPL 488844 |
| 12 | Tap Plate (2) |
| 13 | Center Rail (Golden Harvest) |
| 13 | Center Rail (White) |
| 13 | Center Rail (Almond) |
| 14 | Clip, Center Rail (4) |
| 15 | Screw |
| 16 | Center, Rail Shim (2) |
| 17 | Shim, Hinge Top |
| 18 | Shim, Hinge |
| 20 | Screw |
| 20 | Screw (Repair) |
| 21 | Hinge, Center |
| 22 | Shim, Hinge Center |
| 23 | WP487802 Whirlpool Refrigerator Washer |
| 24 | WP488296 Whirlpool Washer Refrigerator |
| 26 | Hinge Butt, Bottom |
| 27 | Hinge Pin, Bottom |
| 28 | Screw 10-32 x 5/16 |
| 29 | Shim, Bottom |
| 30 | Washer, 7/64 |
| 31 | Cover, Glider Rail (Golden Harvest) |
| 31 | Cover, Glider Rail (Almond) |
| 31 | Cover, Glider Rail (White) |
| 32 | Cover, Deck Rail (Golden Harvest) |
| 32 | Cover, Deck Rail (White) |
| 32 | Cover, Deck Rail (Almond) |
| 33 | WPL 943552 |
| 33 | WPL 944831 |
| 33 | WPL 944833 |
| 34 | WPL 1110686 |
| 34 | WPL 1110685 |
| 34 | WPL 1110684 |
| 35 | Hole Plug (White) |
| 35 | Hole Plug (Almond) |
| 35 | WPL 1119708 |
| 36 | Hole Plug (4) (White) |
| 36 | Hole Plug (4) (Almond) |
| 36 | Hole Plug (4) (Golden Harvest) |
| 39 | WPL 942845 |
| 41 | SCREW |
| 41 | WP489478 Whirlpool Refrigerator Screw |
| 42 | W10812038 Whirlpool Refrigerator Clip |
| 43 | 549193 Whirlpool Refrigerator Power Clamp |
| 44 | Cord, Service |
| 45 | Clamp |
| 46 | WPL 942813 |
| 47 | WPL 1106507 |
| 48 | Leveler (2) |
| 49 | WPL 1106511 |
| 51 | 8316810 Whirlpool Refrigerator Drain Tube |
| 52 | WPL 519405 |
| 57 | WPL 1120224 |
| 59 | Seal, Hole |
| 63 | WPL 1106510 |