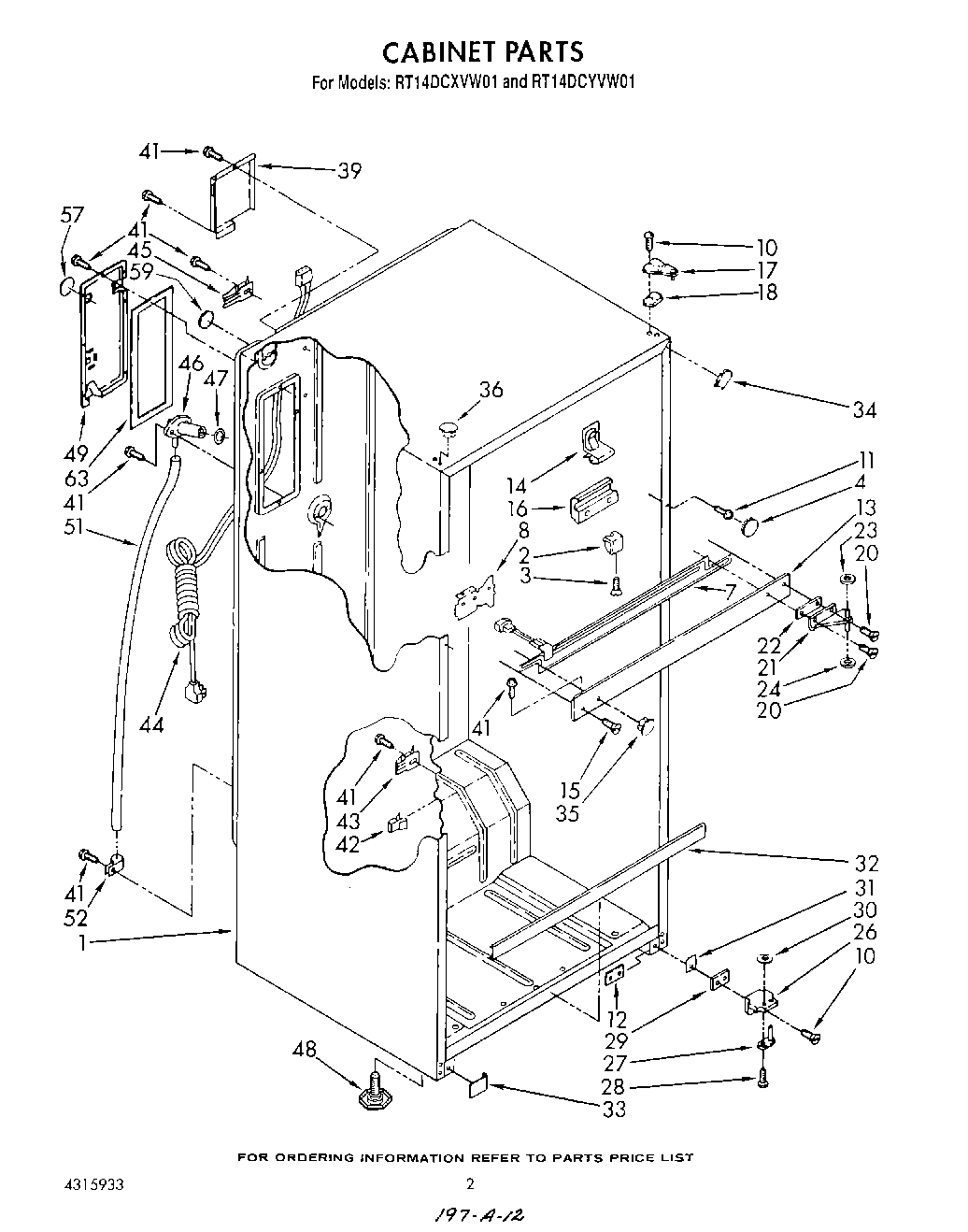
RT14DCXVW01 02 – CABINET