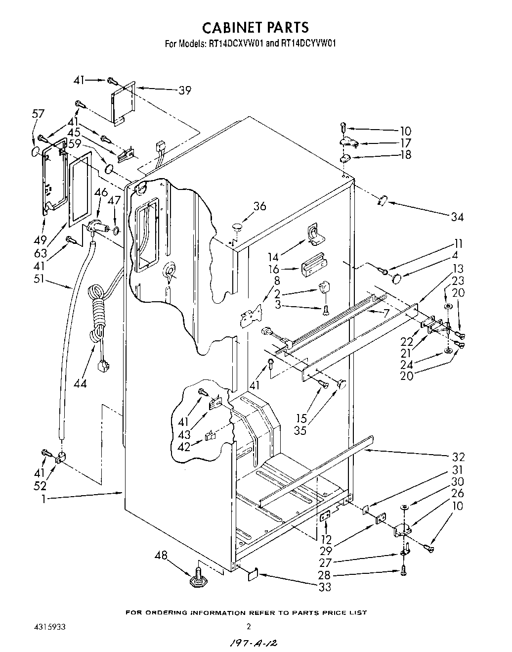
RT14DCYVL01 02 – CABINET