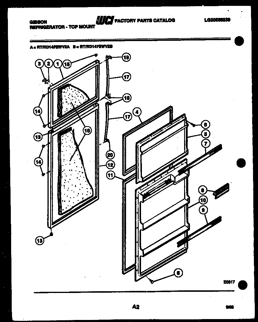
RT14F2WV2A 02 – DOOR PARTS