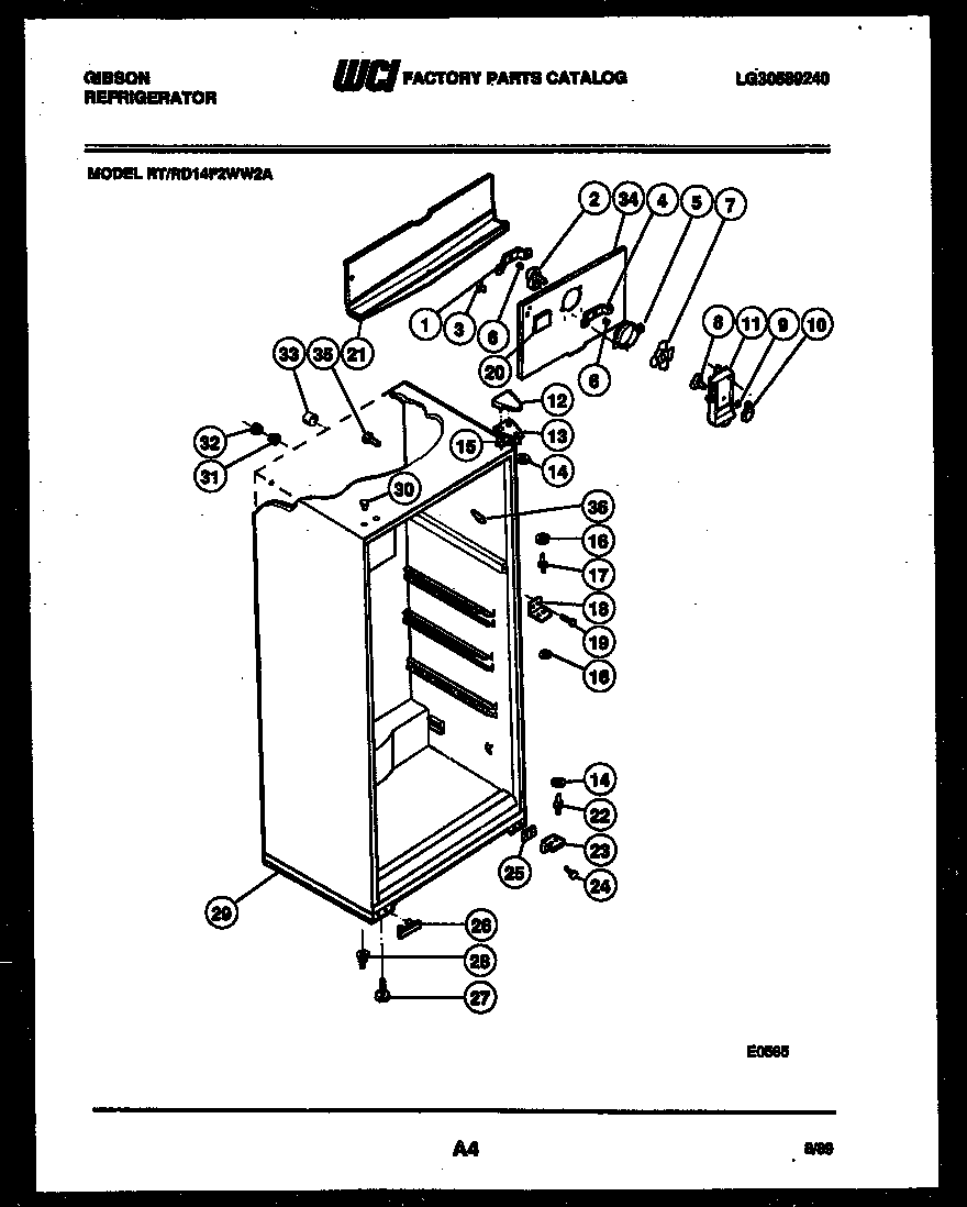
RT14F2WW2A 03 – CABINET PARTS