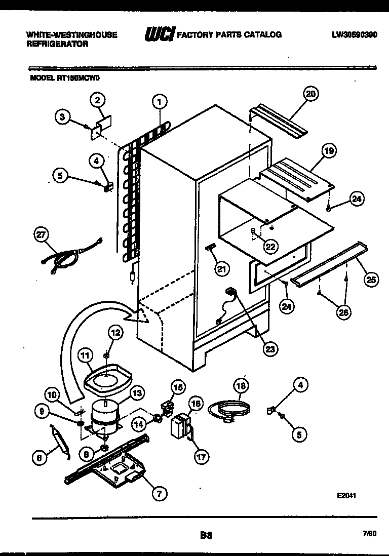
RT150MCV0 04 – SYSTEM AND AUTOMATIC DEFROST PARTS