RT155LLW1 03 – CABINET PARTSadmin2025-04-26T08:47:29+00:00RT155LLW1 03 – CABINET PARTS
Products
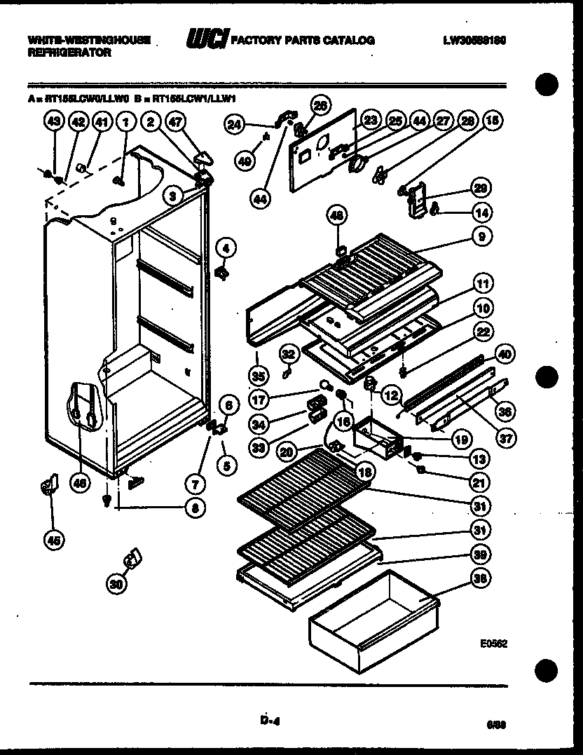
| Position | Product |
|---|
| *12986 | WCI G166912 |
| *12986 | BUTTON, LINER |
| 1 | WCI G163669 |
| 2A | WCI G103903 |
| 2B | 241710601 Frigidaire Refrigerator Screw |
| 2 | BRACKET, TOP HINGE |
| 3 | WCI G183861 |
| 4B | WCI G142220 |
| 4 | BRACKET, HINGE CENTER |
| 4A | SCREW, BRACKET MOUNTING (4) |
| 5 | BRACKET, HINGE, LOWER |
| 6 | 5303001321 Frigidaire Refrigerator Lower Hinge Pin |
| 7 | SHIM, HINGE |
| 8 | CLIP (4) |
| 9 | BOTTOM ( FREEZER ) |
| 10A | SCREW (5) |
| 10 | TOP-REFRIGERATOR |
| 11 | DIVIDER-COMPARTMENT |
| 12 | 215846602 Frigidaire Refrigerator 8-Hour Defrost Timer |
| 12A | 5304455649 Frigidaire Refrigerator Screw |
| 13 | LABEL-BOX |
| 14 | WCI G162663-15 |
| 15 | DAMPER FAN COVER |
| 15A | NUT, DAMPER MOUNTING |
| 16 | SOCKET LIGHT |
| 17 | 316538904 Frigidaire Oven Lamp Light |
| 18 | CONTROL-COLD |
| 18A | WCI G107080 |
| 19 | WCI G176722-01 |
| 19A | SWITCH SLIDE |
| 20 | TUBE |
| 21 | KNOB |
| 22 | 5309918806 Frigidaire Refrigerator Light Switch Door |
| 23 | COVER-COIL |
| 24 | WCI G185303 |
| 25 | WCI G185302 |
| 26 | 5300158289 Frigidaire Evaporator Fan Motor |
| 27A | NUT, ORIFICE (2) |
| 27 | RING, FAN ORIFICE |
| 28 | 5308000010 Frigidaire Refrigerator Evaporator Fan Blade |
| 29 | WCI G490076-02 |
| 30 | ROLLER-FRONT (2) |
| 31 | WCI R172173-03 |
| 32 | 240396801 Frigidaire Refrigerator Tube Clamp |
| 33 | WCI G162178 |
| 34 | DEFLECTOR AIR |
| 35 | TROUGH-DRAIN |
| 36 | CLAMP, MULLION MOUNTING |
| 37A | WASHER (2) |
| 37 | MULLION |
| 37B | SPACER-MULLION MOUNTING (2) (NON-ILLUSTRATED) |
| 38 | WCI G162973-34 |
| 39 | COVER-CRISPER |
| 40 | WCI G187921 |
| 41 | TUBE, INSULATION (2) |
| 42 | WCI G174734 |
| 43 | WCI G174733 |
| 44 | G187559 Frigidaire Refrigerator Bushing |
| 45 | ROLLER, REAR (2) |
| 46 | WCI G185266 |
| 47 | COVER HINGE, WHITE |
| 48 | PAD, FOAM (2) |
| 49 | WCI G164571 |