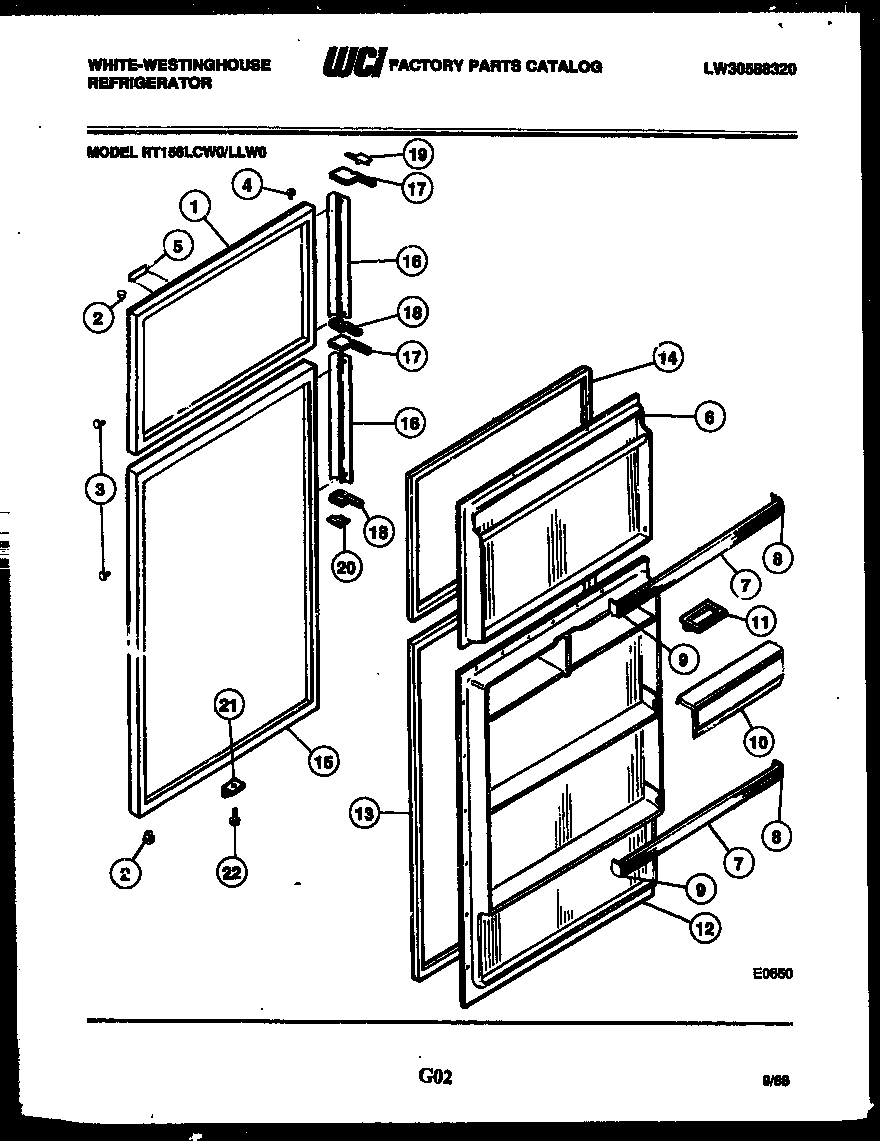
RT156LLF0 02 – DOOR PARTS