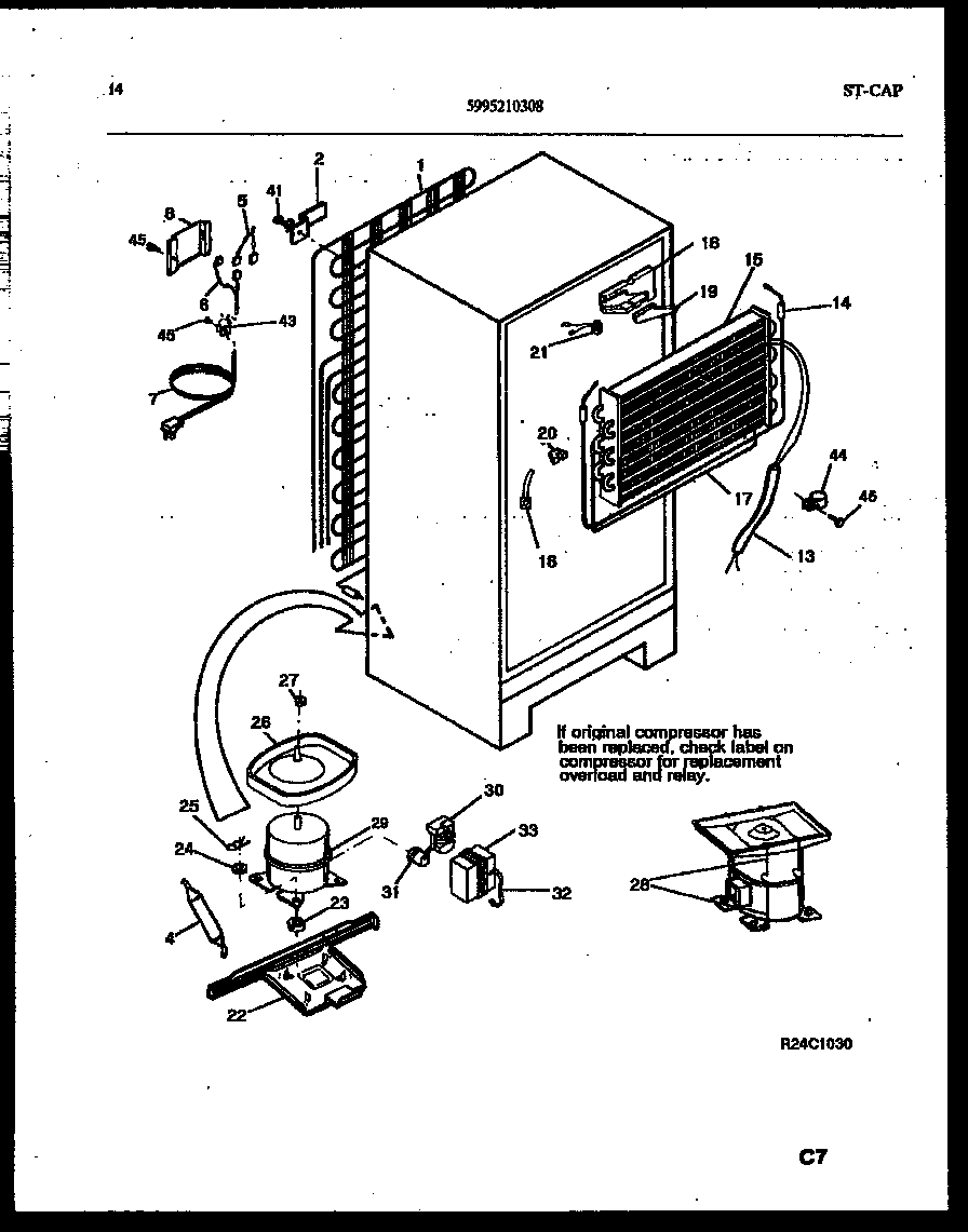
RT156NCH0 08 – SYSTEM AND AUTOMATIC DEFROST PARTSadmin2025-04-26T08:47:35+00:00RT156NCH0 08 – SYSTEM AND AUTOMATIC DEFROST PARTS
Products
| Position | Product |
|---|
| 1 | WCI 5303001341 |
| 2 | BRACKET-MTG (4) |
| 2A | WASHER, EXT TOOTH LOCK, NO. 10 (NON-ILLUSTRATED) |
| 4 | 5303305677 Frigidaire Replacement Filter Dryer Filters |
| 5 | HARNESS-WIRING, CONTROL/DIVIDER (NON-ILLUSTRATED) |
| 6 | WIRING HARNESS-COMPRESSOR |
| 7 | CORD-ELECTRIC POWER |
| 8 | WCI 5303001197 |
| 13 | WCI 5308000728 |
| 14 | WCI 5308009754 |
| 15 | EVAPORATOR |
| 16 | 5308000110 Frigidaire Refrigerator Evaporator/Heater Primary Strap |
| 17 | INSULATOR-EVAP, PLASTIC |
| 18 | INSULATION BLOCK, RH |
| 19 | INSULATION PLUG, RH |
| 20 | INSULATION BLOCK, LH |
| 21 | 5303917954 Frigidaire Refrigerator Defrost Limit Thermostat Kit |
| 22 | WCI 3206126 |
| 22A | 5304500008 Frigidaire Oven Screw |
| 23 | 218513300 Frigidaire Refrigerator Compressor Mount Grommet |
| 24 | WASHER-COMPR MTG |
| 25 | CLIP - COMPRESSOR MTG |
| 26 | PAN-DEFROST DRAIN, ORIG/SVCE COMPR |
| 26A | 5303307583 Frigidaire Refrigerator P1 Pad Noise Reduction |
| 27 | Nut,lock `1/4-20 ,drain pan mtg |
| 28 | PAN RETAINER KIT, SERVICE |
| 29 | COMPRESSOR W/ ELEC |
| 29A | CAPACITOR-RUN (NON-ILLUSTRATED) |
| 30 | RELAY-TL |
| 31 | WCI 5303274700 |
| 32 | 5303006412 Frigidaire Refrigerator Cover Mounting Strap |