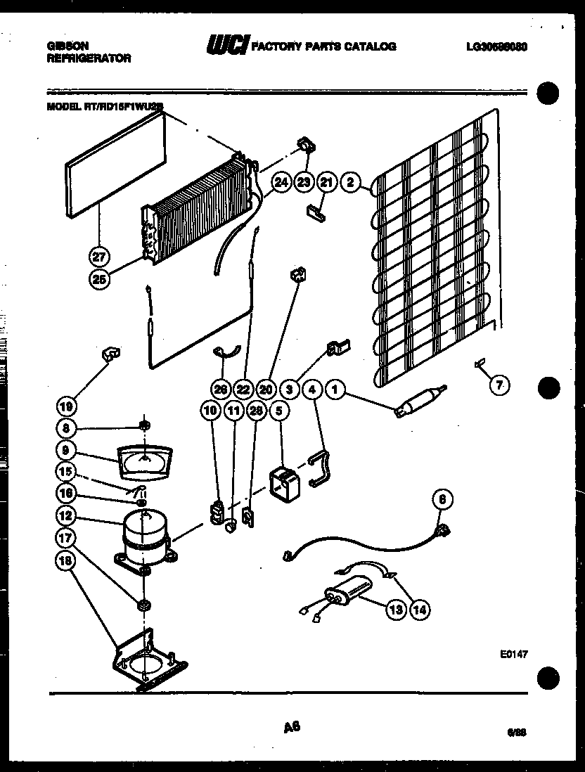
RT15F1WU2B 04 – SYSTEM AND AUTOMATIC DEFROST PARTSadmin2025-04-26T08:47:41+00:00RT15F1WU2B 04 – SYSTEM AND AUTOMATIC DEFROST PARTS
Products
| Position | Product |
|---|
| *10275 | WCI G183584 |
| *10275 | HARNESS-COMPRESSOR |
| 1 | 5303305677 Frigidaire Replacement Filter Dryer Filters |
| 2 | WCI G178225 |
| 3 | BRACKET-CONDENSER MOUNTING (4) |
| 4 | 5303006412 Frigidaire Refrigerator Cover Mounting Strap |
| 6 | CORD, SERVICE |
| 7 | WCI G101747 |
| 8 | NUT, LOCK |
| 9 | DEFROST PAN & NUT |
| 10 | WCI G182225-18 |
| 11 | WCI G188877 |
| 12 | COMPRESSOR |
| 13 | WCI G188885-01 |
| 14 | STRAP-CAPACITOR |
| 15 | CLIP, COMPRESSOR MOUNTING (4) |
| 16 | WASHER, COMPRESSOR MOUNTING (4) |
| 17 | 218513300 Frigidaire Refrigerator Compressor Mount Grommet |
| 18 | WCI G162822 |
| 19 | BLOCK, LEFT SIDE |
| 20 | BLOCK, EVAPORATOR, RH |
| 21 | PLUG, EVAPORATOR INSULATION BLOCK, R H |
| 22 | WCI G162432-02 |
| 23 | 5303917954 Frigidaire Refrigerator Defrost Limit Thermostat Kit |
| 24 | WCI G163389 |
| 25 | WCI G164563 |
| 26 | 5308000110 Frigidaire Refrigerator Evaporator/Heater Primary Strap |
| 27 | INSULATOR |
| 28 | RETAINER, OVERLOAD |