RT16DKXVG00 02 – CABINET

RT16DKXVG00 02 – CABINET

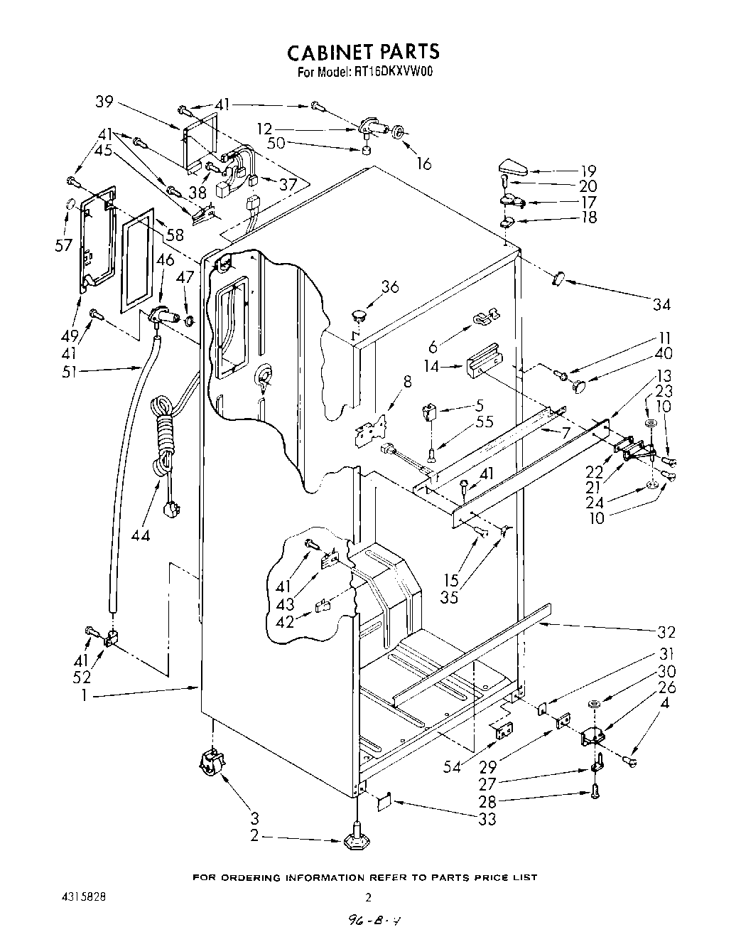
Products

PositionProduct
1Cabinet (Not A Serviceable Part)
2Leveler (2)
3Roller, Front & Rear (4)
5Spacer (2)
6Breaker, Trim Clip
7Heater, Mullion
8Center Rail, Bracket (2)
10Screw
11Screw (2)
12WP2196157 Whirlpool Fill Tube
13Center Rail (Golden Harvest)
13Center Rail (White)
13Center Rail (Almond)
14Center, Rail Shim (2)
15Screw
16WP1106508 Whirlpool Refrigerator Gasket
17Shim, Hinge Top
18Shim, Hinge
19Hinge Cover (Golden Harvest)
191119787 Whirlpool Refrigerator Hinge Cover
20WP999367 Whirlpool Refrigerator Screw
20Screw (Repair)
21Hinge, Center
22Shim, Hinge Center
23WP487802 Whirlpool Refrigerator Washer
24WP488296 Whirlpool Washer Refrigerator
26Hinge Butt, Bottom
27Hinge Pin, Bottom
28Screw
29Shim, Bottom
30Washer, 7/64
31Cover, Glider Rail (Golden Harvest)
31Cover, Glider Rail (Almond)
31Cover, Glider Rail (White)
32Cover, Deck Rail (Almond)
32Cover, Deck Rail (Golden Harvest)
32Cover, Deck Rail (White)
33WPL 943552
33WPL 944831
33WPL 944833
34WPL 1110684
34WPL 1110685
34WPL 1110686
35Hole Plug (White)
35Hole Plug (Almond)
35WPL 1119708
36Hole Plug (2) (Almond)
36Hole Plug (2) (Golden Harvest)
36Hole Plug (2) (White)
37WPL 942844
38WP250830 Whirlpool Refrigerator Screw
39WPL 942845
40Hole Plug (2) (Golden Harvest)
40Hole Plug (2) (White)
40Hole Plug (2) (Almond)
41WP489478 Whirlpool Refrigerator Screw
41SCREW
42W10812038 Whirlpool Refrigerator Clip
43549193 Whirlpool Refrigerator Power Clamp
44Cord, Service
45Clamp
46WPL 942813
47WPL 1106507
49WPL 1106511
50WP487996 Whirlpool Refrigerator Cap Tube
518316810 Whirlpool Refrigerator Drain Tube
52WPL 519405
54WPL 944813
55WP489174 Whirlpool Refrigerator Screw
57WPL 1120224
58WPL 1106510