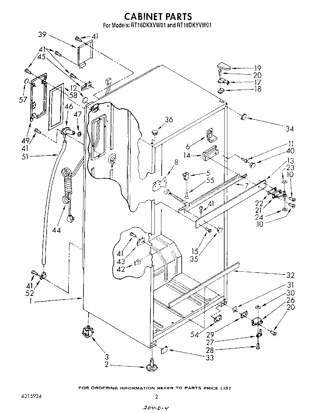
RT16DKYVW01 02 – CABINET

RT16DKYVW01 02 – CABINET